- Partiron
- OEM Parts
- Suzuki
- All Terrain Vehicle
- 2024
- LT-A400FM4 (2024)
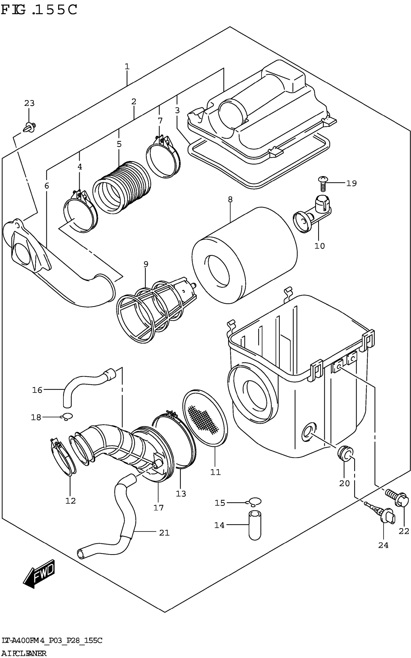
AIR CLEANER
Suzuki LT-A400FM4 (2024) AIR CLEANER Diagram
#
Description
Price
17
.TUBE, OUTLET
13881-27H40
Unavailable
21
.TUBE, 2ND AIR
13857-27H40
Unavailable
