Partiron

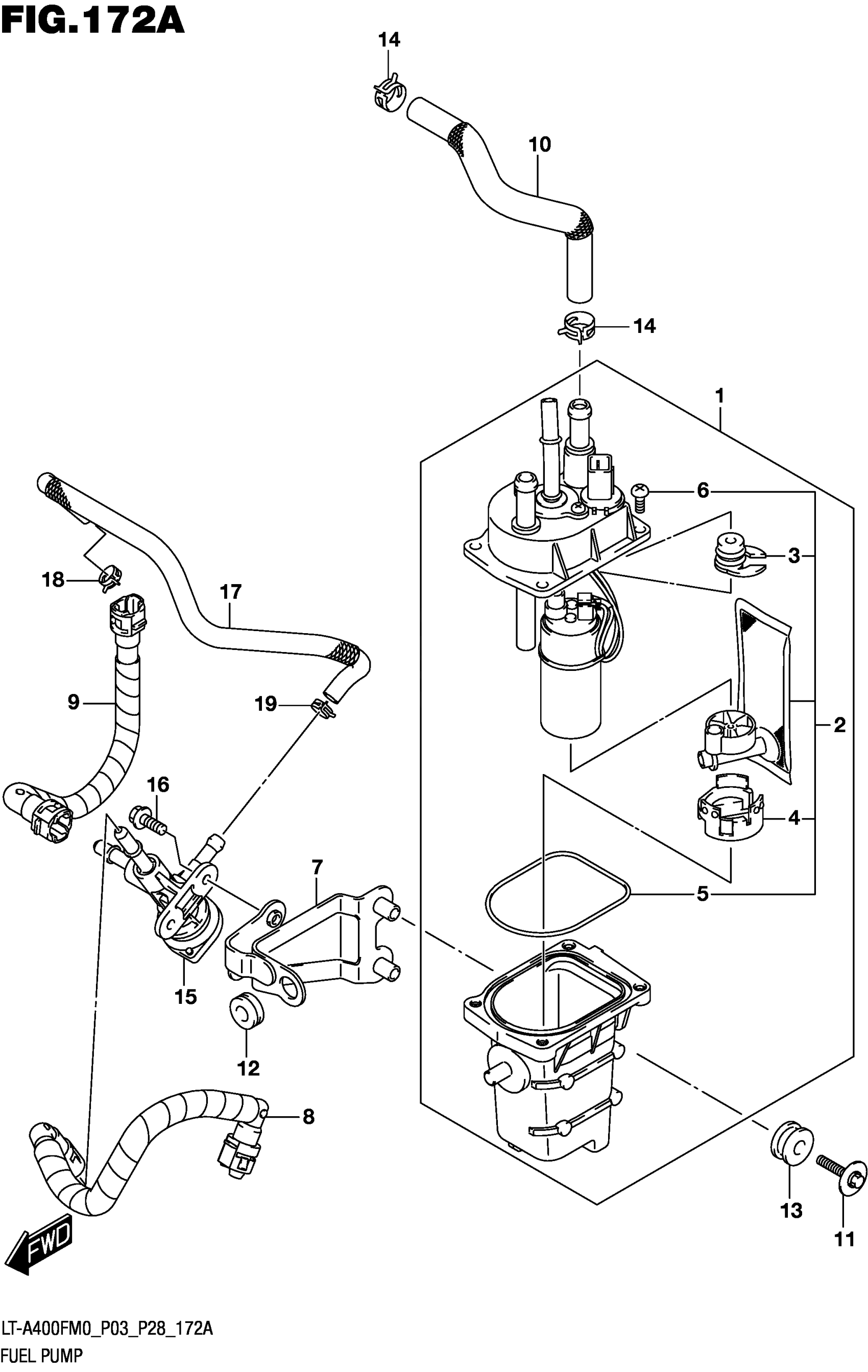
Suzuki LT-A400FM0 (2020) FUEL PUMP Diagram

#

Description
Price

1

PUMP ASSY,FUEL This part replaces 15100-33H02.

15100-33H03

$421.70

2

.FILTER SET,FUEL PUMP This part replaces 15420-33H00.

15420-33H01

$57.09

3

..INSULATOR This part replaces 15141-33H00.

15141-33H01

$5.98

4

..INSULATOR

15142-33H00

$8.62

5

..O RING

15162-33H00

$7.81

6

..SCREW | .

13602-14G50

Unavailable

7

BRACKET,FUEL PUMP

15310-27H00

$38.55

8

HOSE,FUEL NO.1

15810-27H03

$57.55

9

HOSE,FUEL NO.2

15820-27H03

$49.85

10

HOSE,FUEL NO.3

15831-27H01

$31.57

11

BOLT (6X25)

09116-06186

$2.61

12

CUSHION (8.5X20X8) This part replaces 09320-08021.

09320-08510

$1.97

13

CUSHION This part replaces 09320-10503.

09320-10076

$2.57

14

CLIP (ID:12.9)

09401-12410

$2.31

15

COCK ASSY,FUEL NO.2 This part replaces 44300-45G20.

44300-45G21

$236.65

16

BOLT

01547-0616A

$2.03

17

HOSE,FUEL RETURN

15841-27H01

$38.17

18

CLIP (ID:11.1)

09401-11419

$3.08

19

CLIP (ID:13.8)

09401-13414

$2.62