- Partiron
- OEM Parts
- Suzuki
- All Terrain Vehicle
- 2005
- LT-A400C (2005)
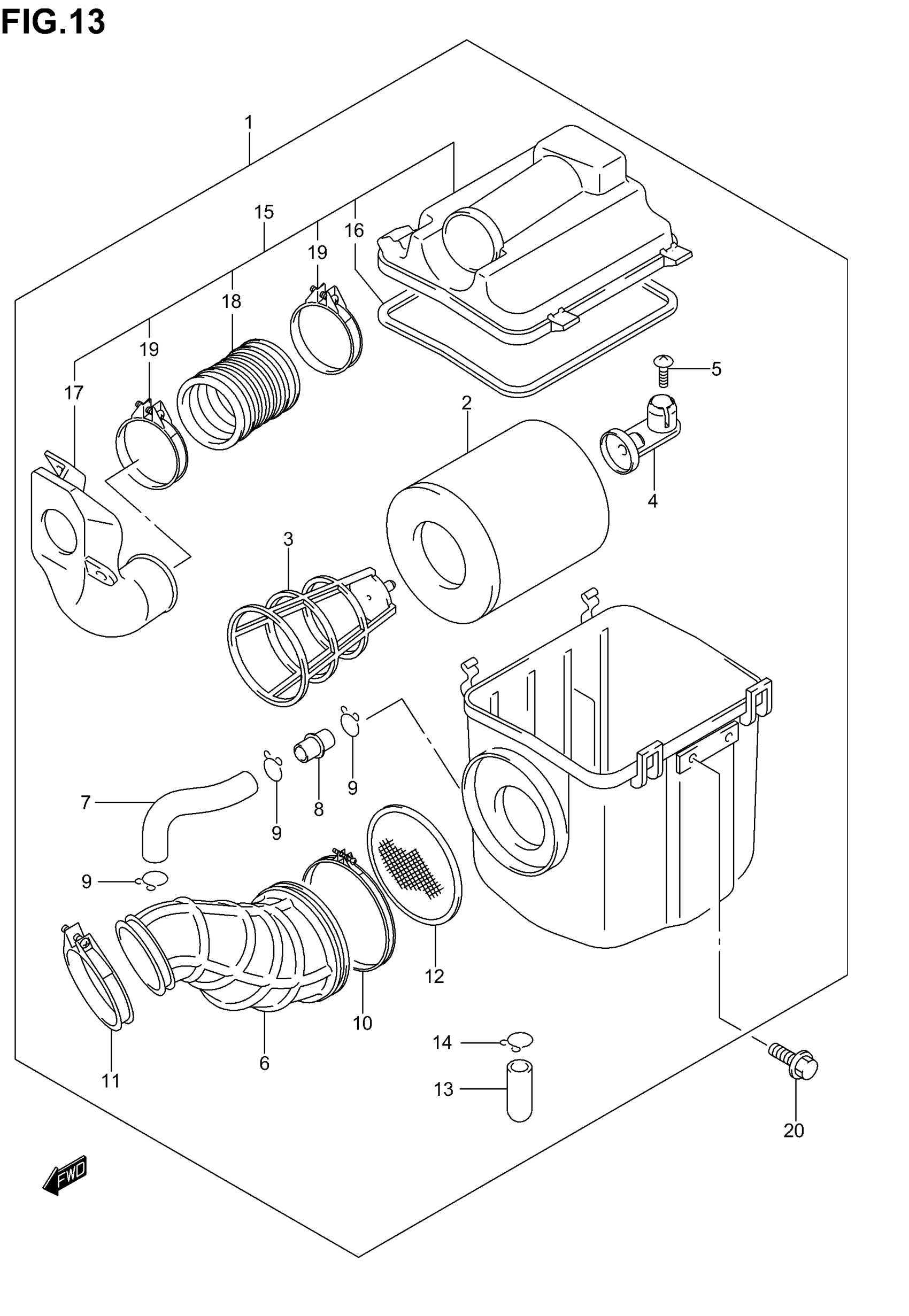
AIR CLEANER
Suzuki LT-A400C (2005) AIR CLEANER Diagram
#
Description
Price
7
TUBE,BREATHER | %F.NO.5SAAK46K3X102000 This part replaces 13853-38F00.
13853-38F01
Unavailable
15
INLET,AIR CLEAN | %F.NO.5SAAK46K3X102000 This part replaces 13890-38F01.
13890-38F02
Unavailable
15
INLET, AIR CLEANER | F.NO.5SAAK46K3X102001%
13890-38F10
Unavailable
