- Partiron
- OEM Parts
- Suzuki
- All Terrain Vehicle
- 1998
- LT-4WDXW (1998)
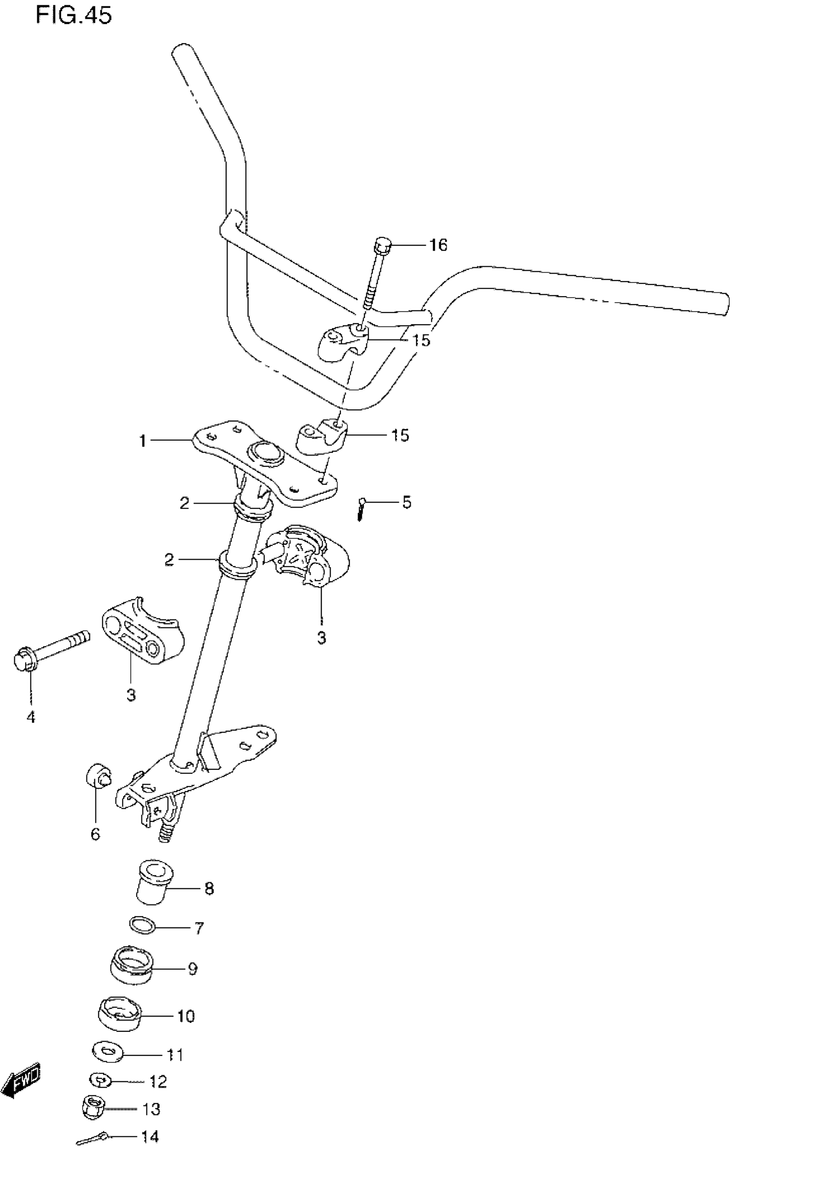
STEERING SHAFT
Suzuki LT-4WDXW (1998) STEERING SHAFT Diagram
#
Description
Price
1
SHAFT, STEERING
51650-19B80
Unavailable
4
BOLT (8X80)
09103-08116
Unavailable
