- Partiron
- OEM Parts
- Suzuki
- All Terrain Vehicle
- 1997
- LT-4WDX (1997)
ELECTRICAL
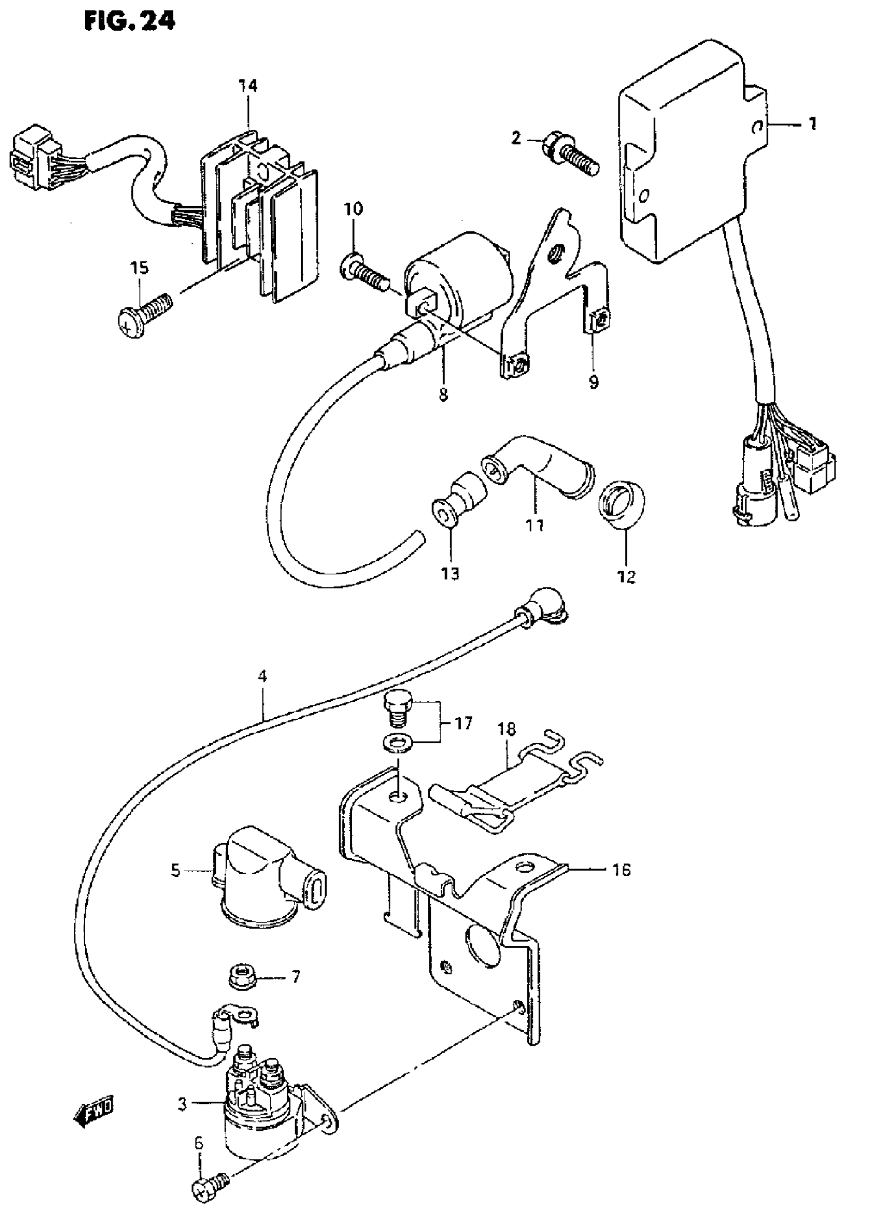
Suzuki LT-4WDX (1997) ELECTRICAL Diagram
#
Description
Price
1
C.D.I. UNIT
32900-19B50
Unavailable
9
BRACKET, IGNITION COIL
33416-19B00
Unavailable
18
BAND, TOOL
09462-00090
Unavailable
