- Partiron
- OEM Parts
- Suzuki
- All Terrain Vehicle
- 1997
- LT-4WDX (1997)
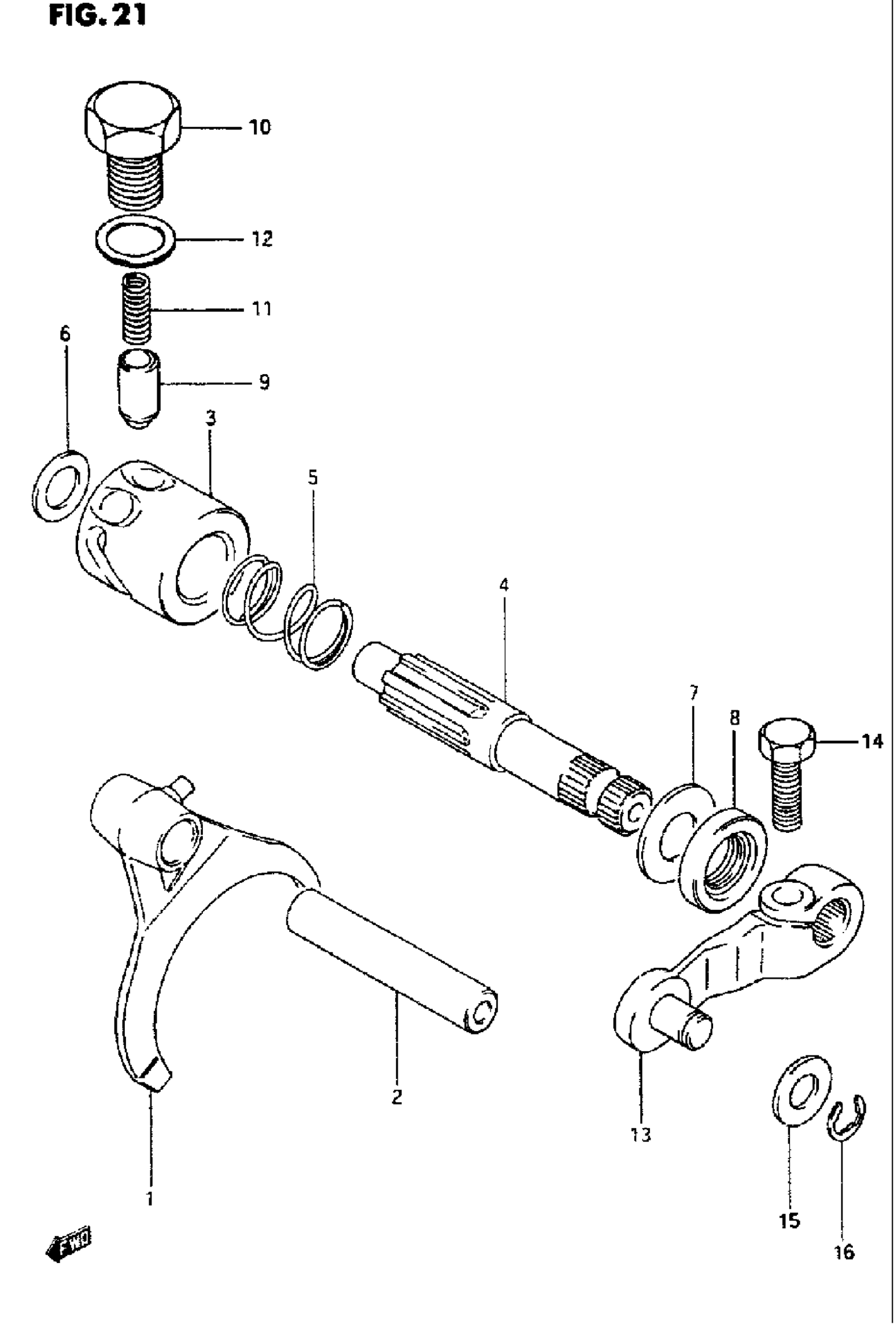
DIFFERENTIAL LOCK
Suzuki LT-4WDX (1997) DIFFERENTIAL LOCK Diagram
#
Description
Price
3
CAM, DIFFERENTIAL LOCKING
27911-19B01
Unavailable
4
SHAFT, CAM
27921-19B01
Unavailable
