- Partiron
- OEM Parts
- Suzuki
- All Terrain Vehicle
- 1997
- LT-4WDX (1997)
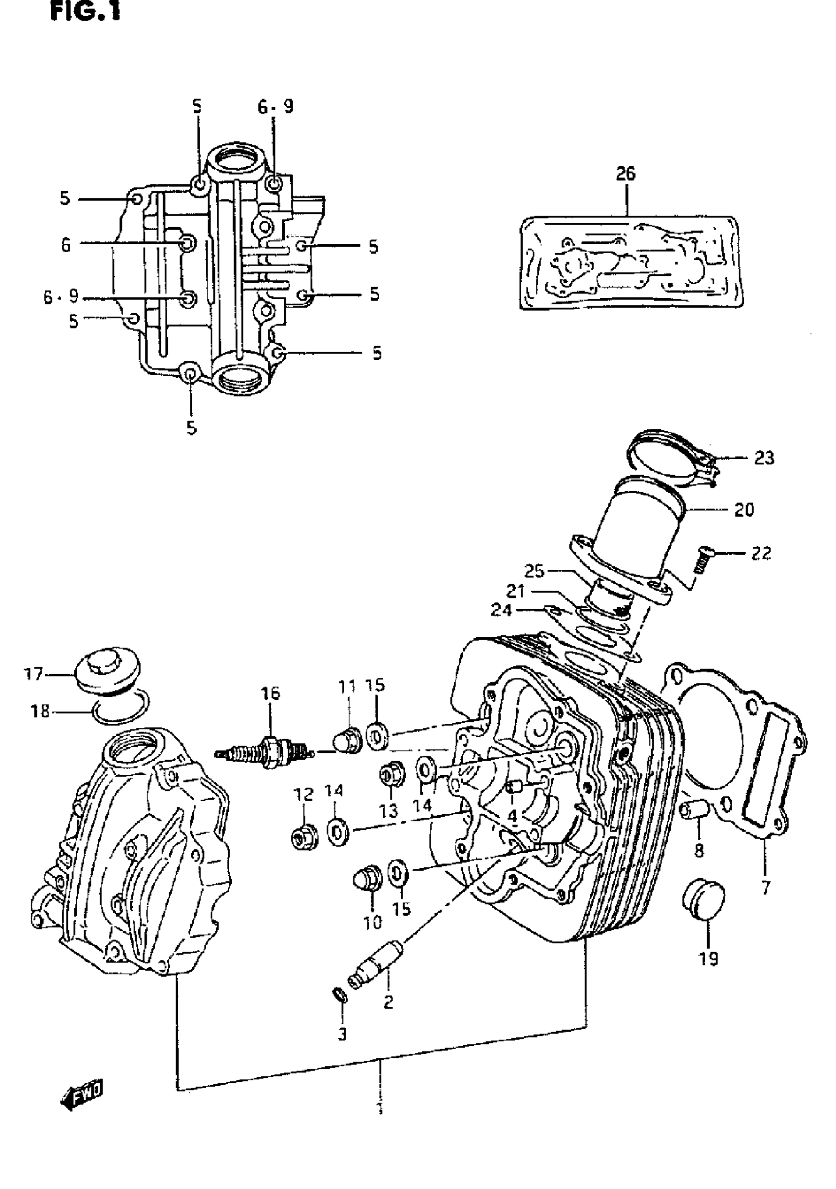
CYLINDER HEAD
Suzuki LT-4WDX (1997) CYLINDER HEAD Diagram
#
Description
Price
1
HEAD ASSY, CYLINDER
11100-19B01
Unavailable
25
NET, INTAKE
13130-19B50
Unavailable
