- Partiron
- OEM Parts
- Suzuki
- All Terrain Vehicle
- 1996
- LT-4WD (1996)
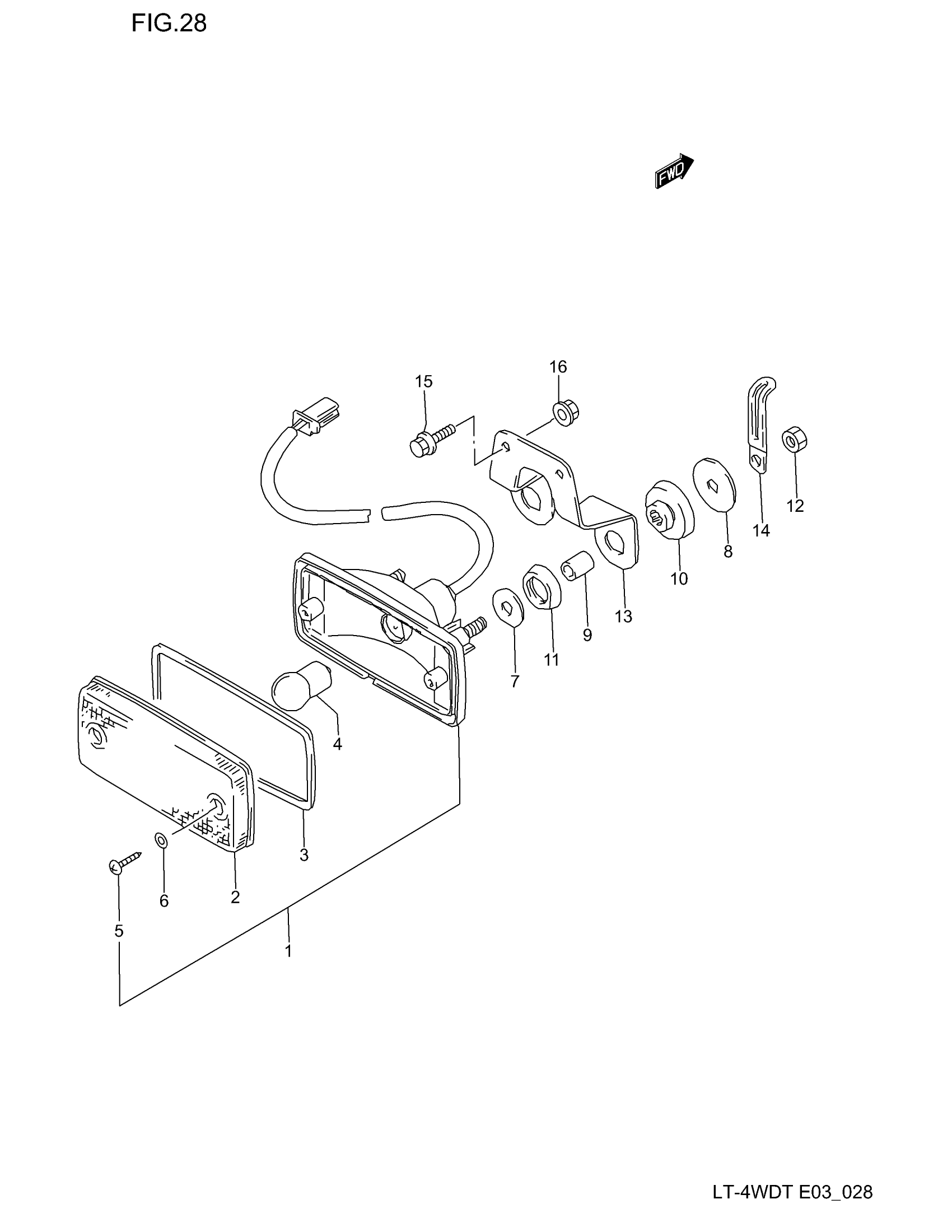
TAIL LAMP
Suzuki LT-4WD (1996) TAIL LAMP Diagram
#
Description
Price
1
LAMP ASSY, TAIL | Includes Item(s) 2 - 6
35710-41B02
Unavailable
10
CUSHION
09320-09012
Unavailable
11
CUSHION
09320-14010
Unavailable
13
BRACKET, TAIL LAMP
35726-19B01
Unavailable
