- Partiron
- OEM Parts
- Suzuki
- Motorcycle
- 2015
- LS650L5 (2015)
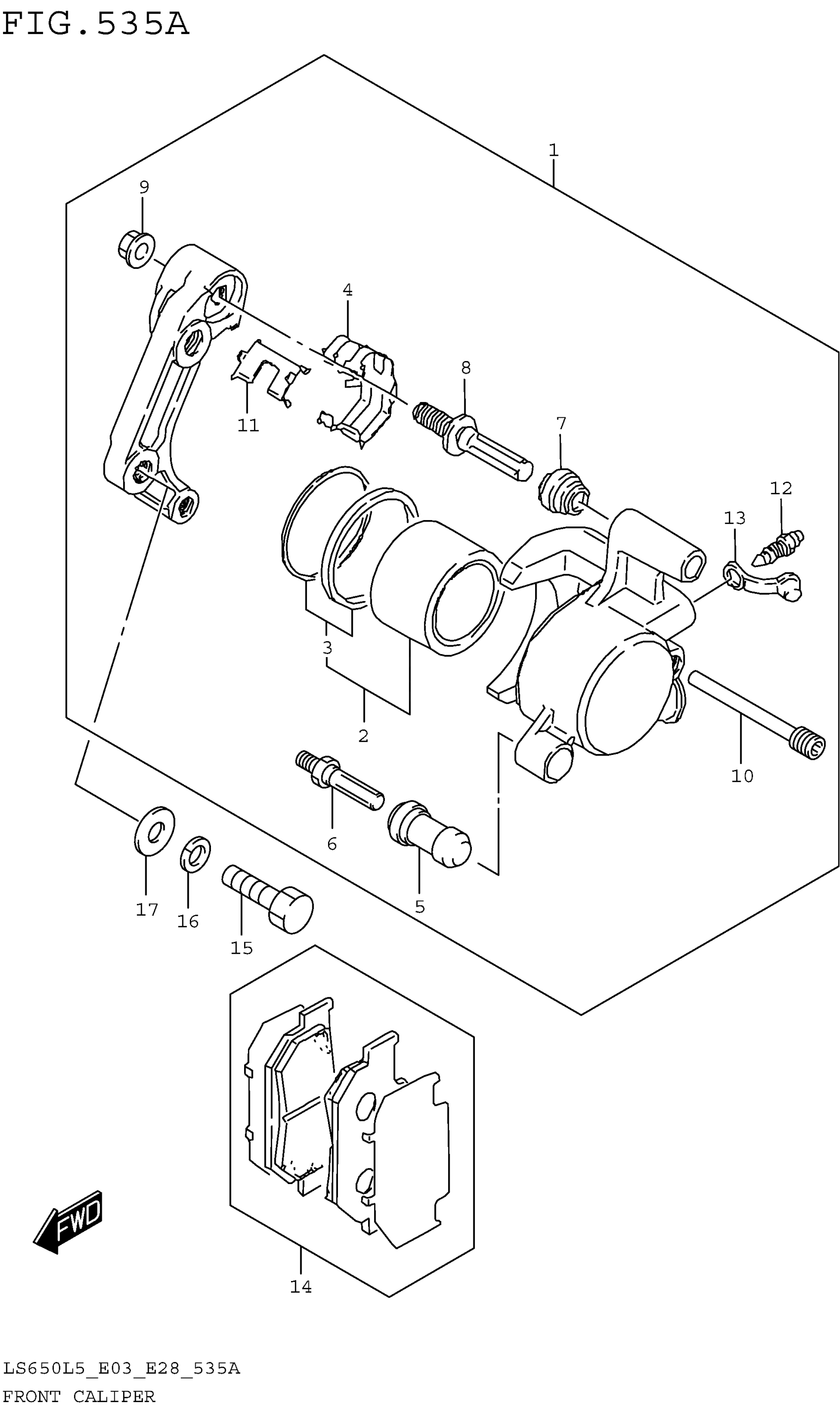
FRONT CALIPER
Suzuki LS650L5 (2015) FRONT CALIPER Diagram
#
Description
Price
9
NUT
59306-14500
Unavailable
FRONT CALIPER
#
9
59306-14500
Unavailable
Edit ride
