- Partiron
- OEM Parts
- Suzuki
- Motorcycle
- 2015
- LS650L5 (2015)
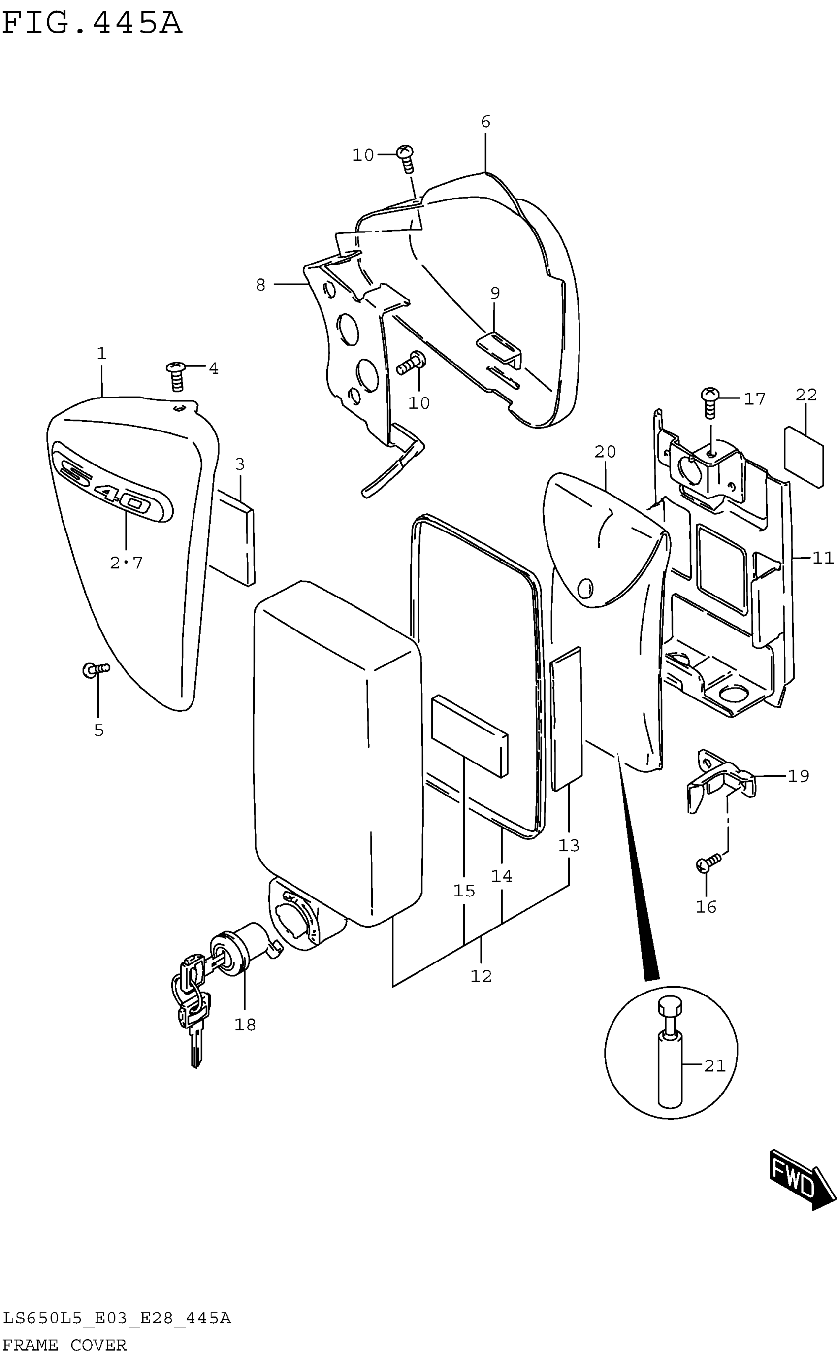
FRAME COVER
Suzuki LS650L5 (2015) FRAME COVER Diagram
#
Description
Price
1
COVER ASSY, FRAME RH (RED)
47100-24CA1-YYG
Unavailable
6
COVER ASSY, FRAME LH (GRAY)
47200-24CA1-YWC
Unavailable
