- Partiron
- OEM Parts
- Suzuki
- Motorcycle
- 2015
- LS650L5 (2015)
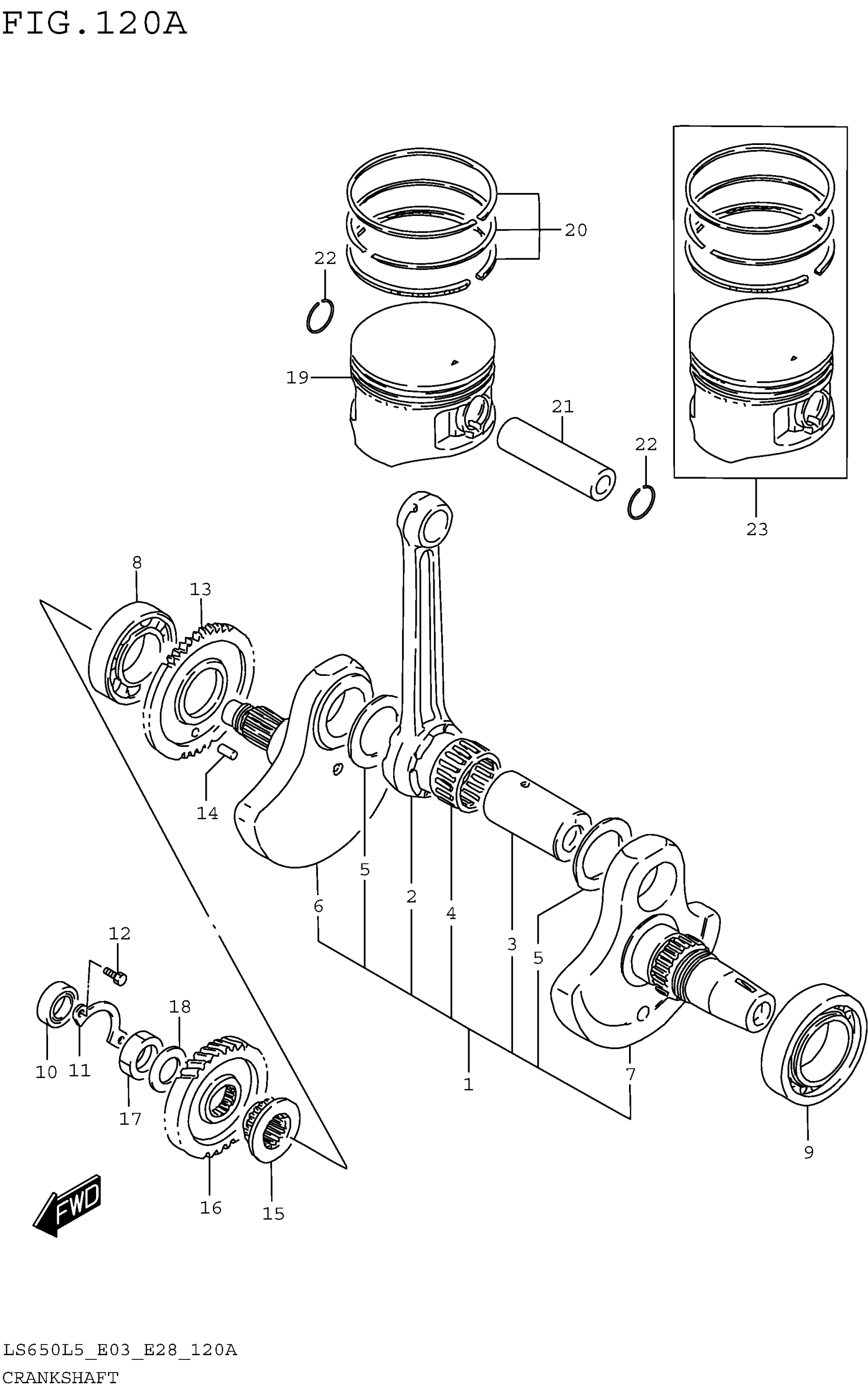
CRANKSHAFT
Suzuki LS650L5 (2015) CRANKSHAFT Diagram
#
Description
Price
1
CRANKSHAFT ASSY
12200-24B05
Unavailable
6
CRANKSHAFT, RH
12221-24B02
Unavailable
7
CRANKSHAFT, LH
12261-24B02
Unavailable
11
RETAINER, CRANKSHAFT OIL SEAL
12548-24B00
Unavailable
12
BOLT
01500-0508B
Unavailable
13
GEAR, CRANK BALANCER DRIVE (NT:47)
12661-24B00
Unavailable
16
GEAR, PRIMARY DRIVE (NT:37)
21111-24B10
Unavailable
