- Partiron
- OEM Parts
- Suzuki
- Motorcycle
- 2015
- LS650L5 (2015)
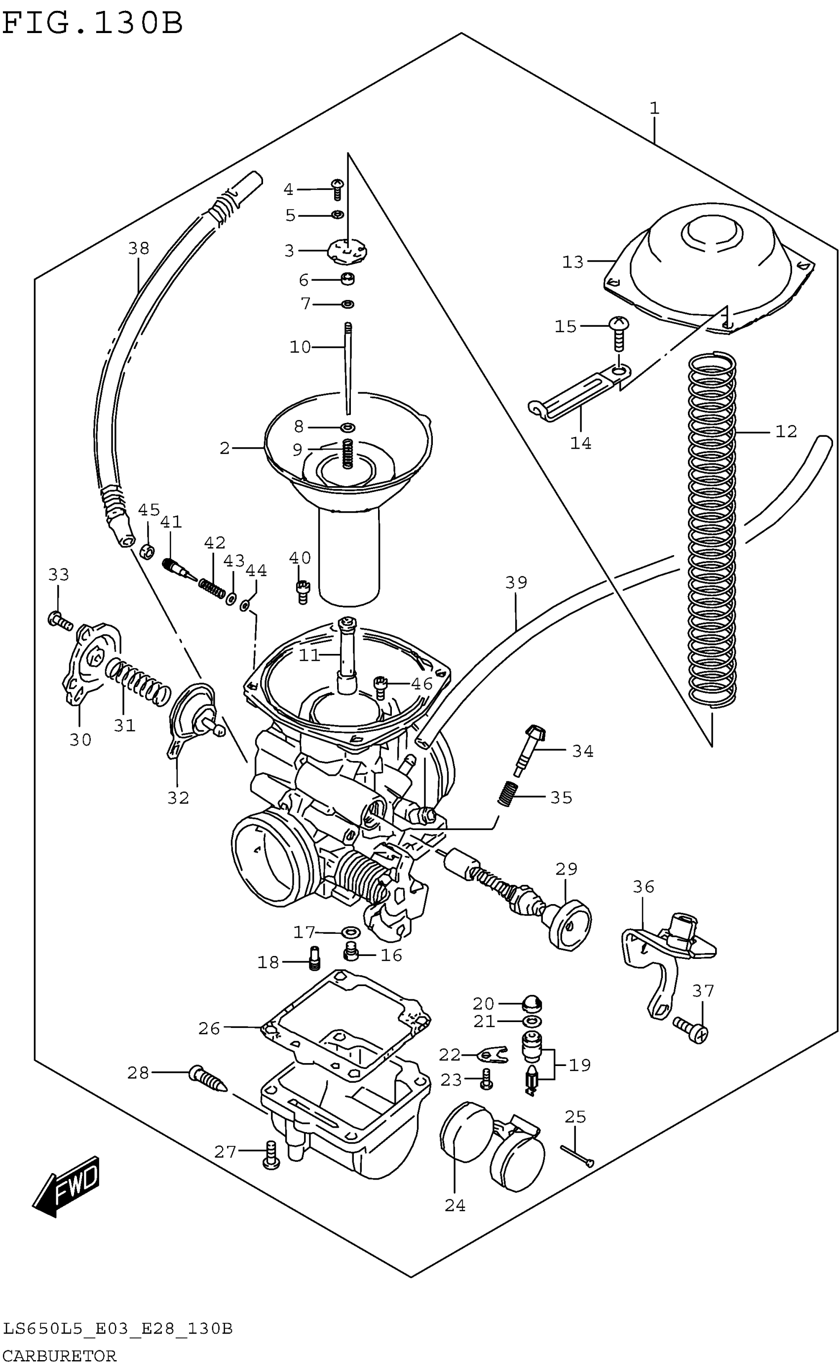
CARBURETOR (LS650L5 E28)
Suzuki LS650L5 (2015) CARBURETOR (LS650L5 E28) Diagram
#
Description
Price
13
COVER
13502-37400
Unavailable
CARBURETOR (LS650L5 E28)
#
13
13502-37400
Unavailable
Edit ride
