- Partiron
- OEM Parts
- Suzuki
- Motorcycle
- 2014
- LS650L4 (2014)
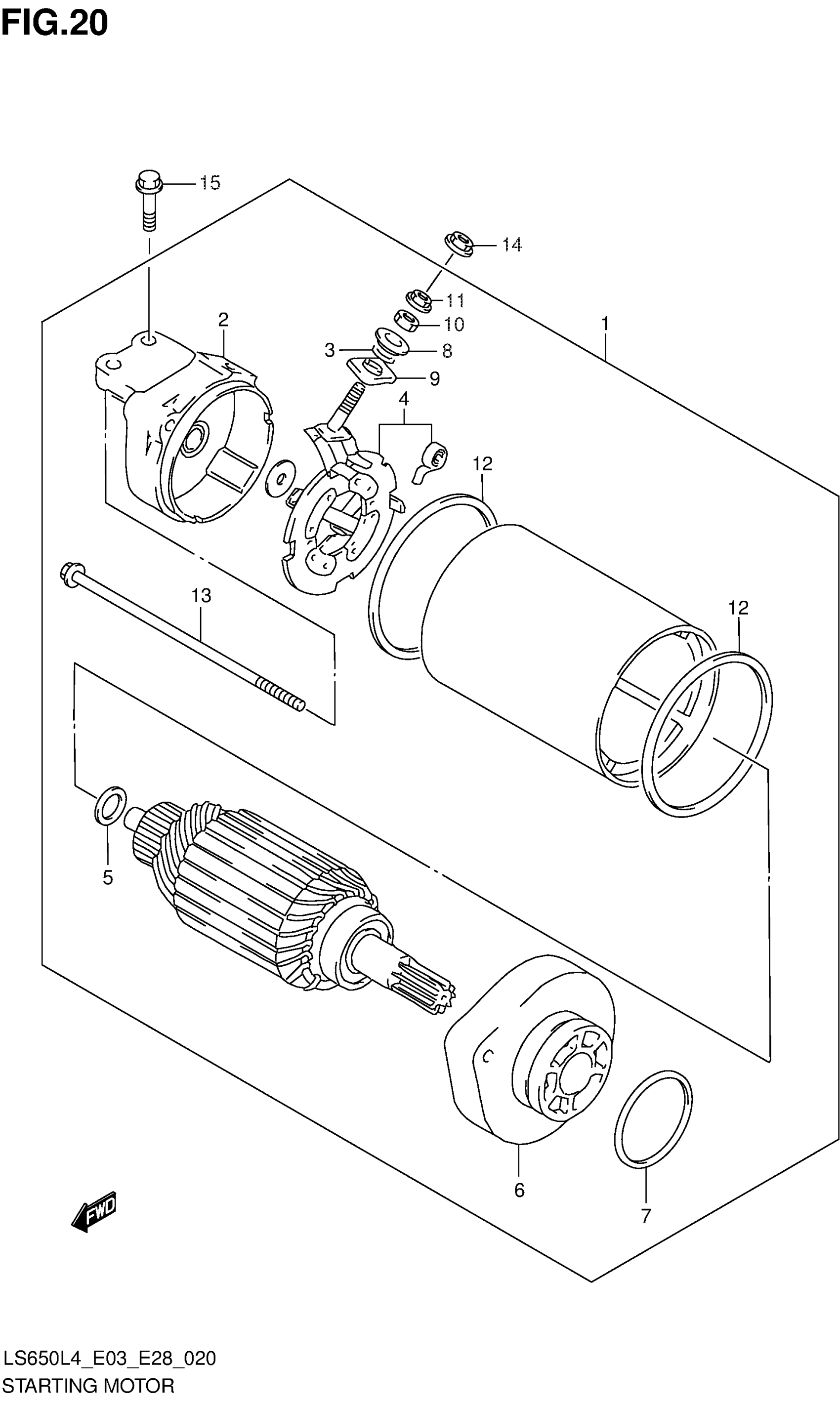
STARTING MOTOR
Suzuki LS650L4 (2014) STARTING MOTOR Diagram
#
Description
Price
1
MOTOR ASSY, STARTING
31100-07F00
Unavailable
2
FRAME ASSY
31170-07F00
Unavailable
5
SHIM SET
31170-43400
Unavailable
6
HOUSING ASSY
31150-44B10
Unavailable
9
BUSHING
31173-88C00
Unavailable
