- Partiron
- OEM Parts
- Suzuki
- Motorcycle
- 2014
- LS650L4 (2014)
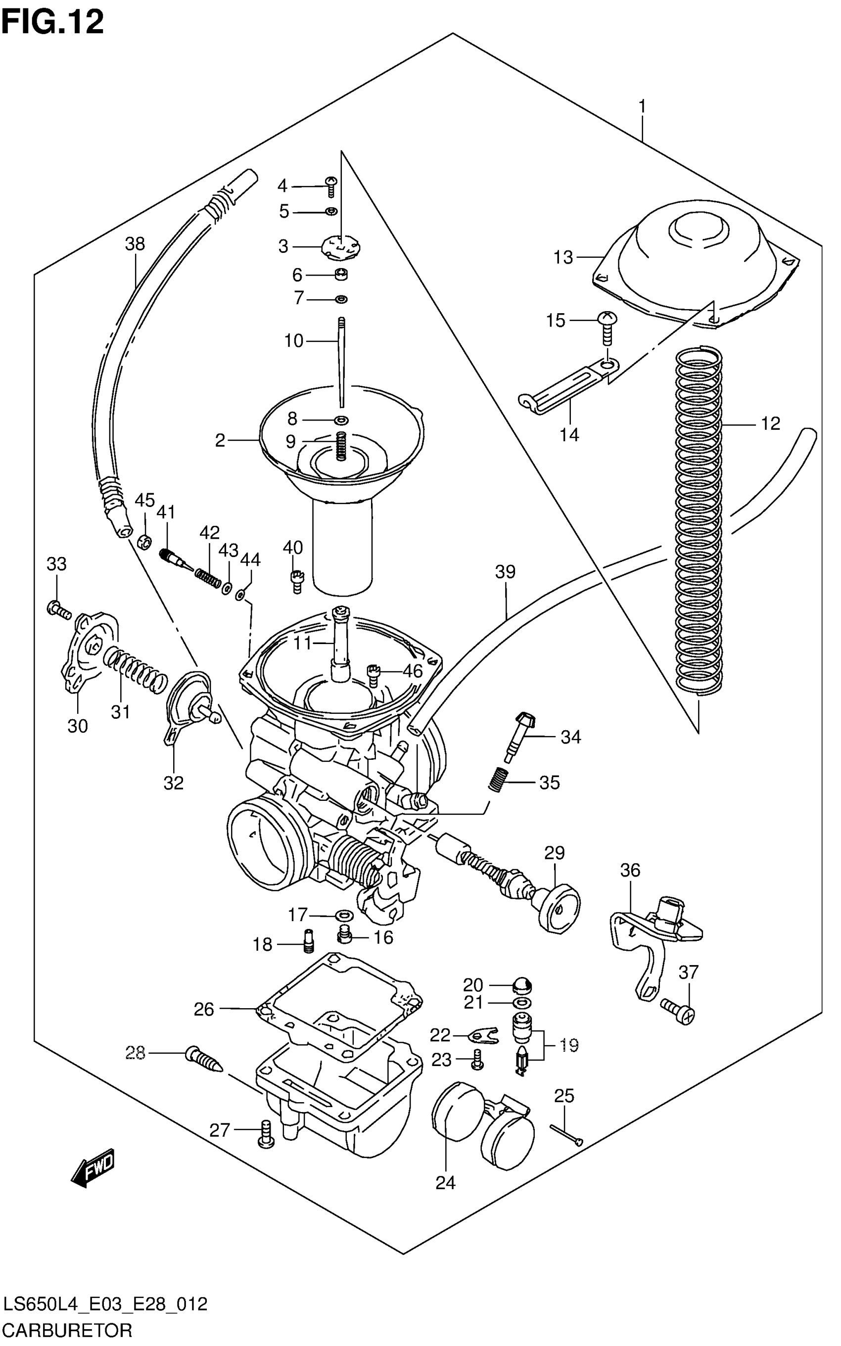
CARBURETOR (LS650L4 E28)
Suzuki LS650L4 (2014) CARBURETOR (LS650L4 E28) Diagram
#
Description
Price
13
COVER
13502-37400
Unavailable
CARBURETOR (LS650L4 E28)
#
13
13502-37400
Unavailable
Edit ride
