- Partiron
- OEM Parts
- Suzuki
- Motorcycle
- 2019
- LS650BL9 (2019)
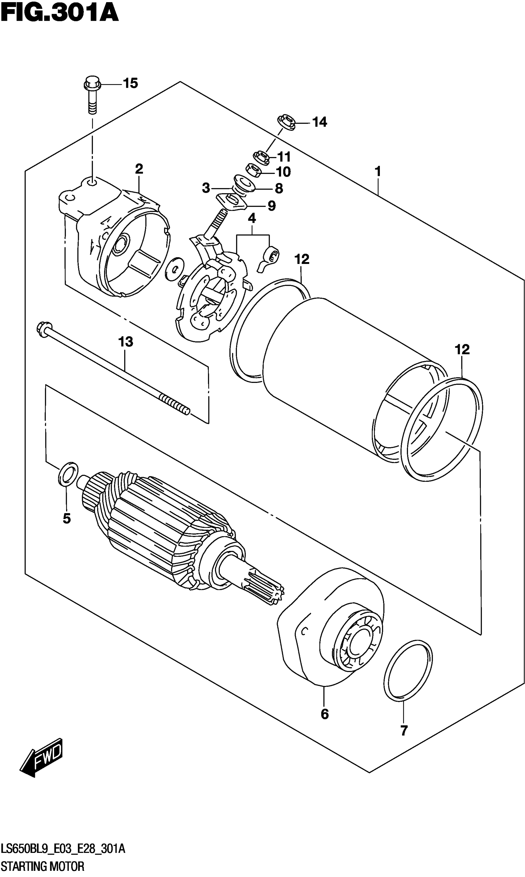
STARTING MOTOR
Suzuki LS650BL9 (2019) STARTING MOTOR Diagram
#
Description
Price
1
MOTOR ASSY
31100-07F10
Unavailable
2
.FRAME ASSY
31170-07F00
Unavailable
5
.SHIM SET
31170-43400
Unavailable
6
.HOUSING ASSY
31150-07F10
Unavailable
9
.BUSHING
31173-88C00
Unavailable
