- Partiron
- OEM Parts
- Suzuki
- Motorcycle
- 2019
- LS650BL9 (2019)
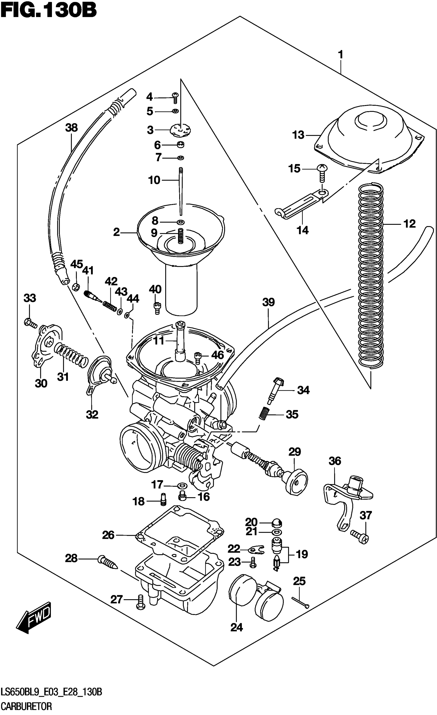
CARBURETOR (LS650BL9 E28)
Suzuki LS650BL9 (2019) CARBURETOR (LS650BL9 E28) Diagram
#
Description
Price
13
.COVER
13502-37400
Unavailable
