- Partiron
- OEM Parts
- Suzuki
- Motorcycle
- 2017
- LS650BL7 (2017)
TRANSMISSION
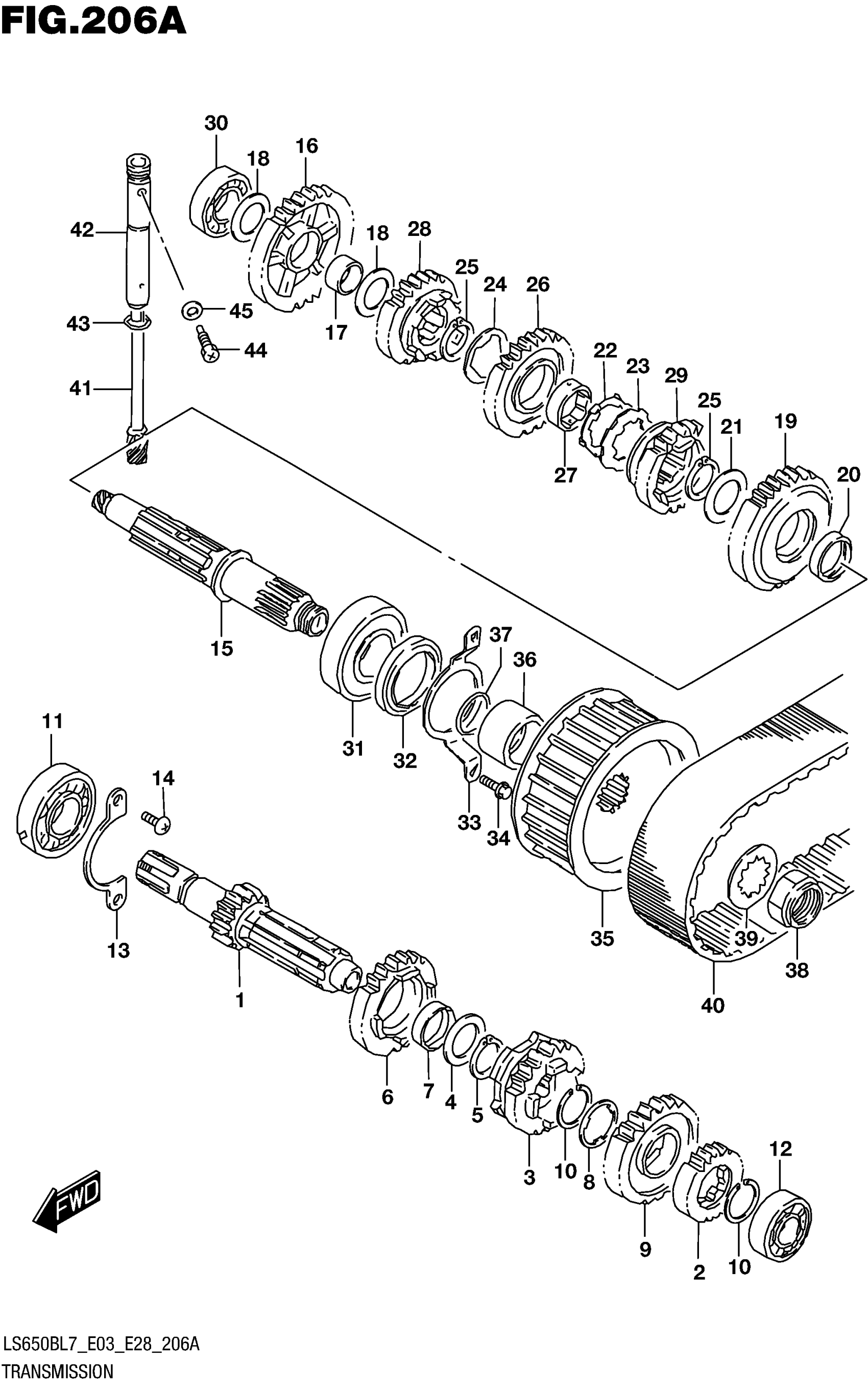
Suzuki LS650BL7 (2017) TRANSMISSION Diagram
#
Description
Price
1
COUNTERSHAFT (NT:15)
24121-24B12
Unavailable
2
GEAR, 2ND DRIVE (NT:19)
24221-24B21
Unavailable
3
GEAR, 3RD DRIVEN (NT:21)
24231-24B30
Unavailable
6
GEAR, 4TH DRIVE (NT:23)
24241-24B20
Unavailable
9
GEAR, 5TH DRIVE (NT:26)
24251-24B13
Unavailable
13
RETAINER, CENTER SHAFT
24741-24B00
Unavailable
16
GEAR, 1ST DRIVEN (NT:35)
24311-24B11
Unavailable
19
GEAR, 2ND DRIVEN (NT:30)
24321-24B20
Unavailable
26
GEAR, 3RD DRIVEN (NT:24)
24331-24B20
Unavailable
28
GEAR, 4TH DRIVEN (NT:22)
24341-24B20
Unavailable
29
GEAR, 5TH DRIVEN (NT:23)
24351-24B13
Unavailable
41
GEAR, SPDOM DRIVEN (NT:8)
26131-24B00
Unavailable
42
SLEEVE, SPDOM DRIVEN GEAR
26481-24B01
Unavailable
