- Partiron
- OEM Parts
- Suzuki
- Motorcycle
- 2017
- LS650BL7 (2017)
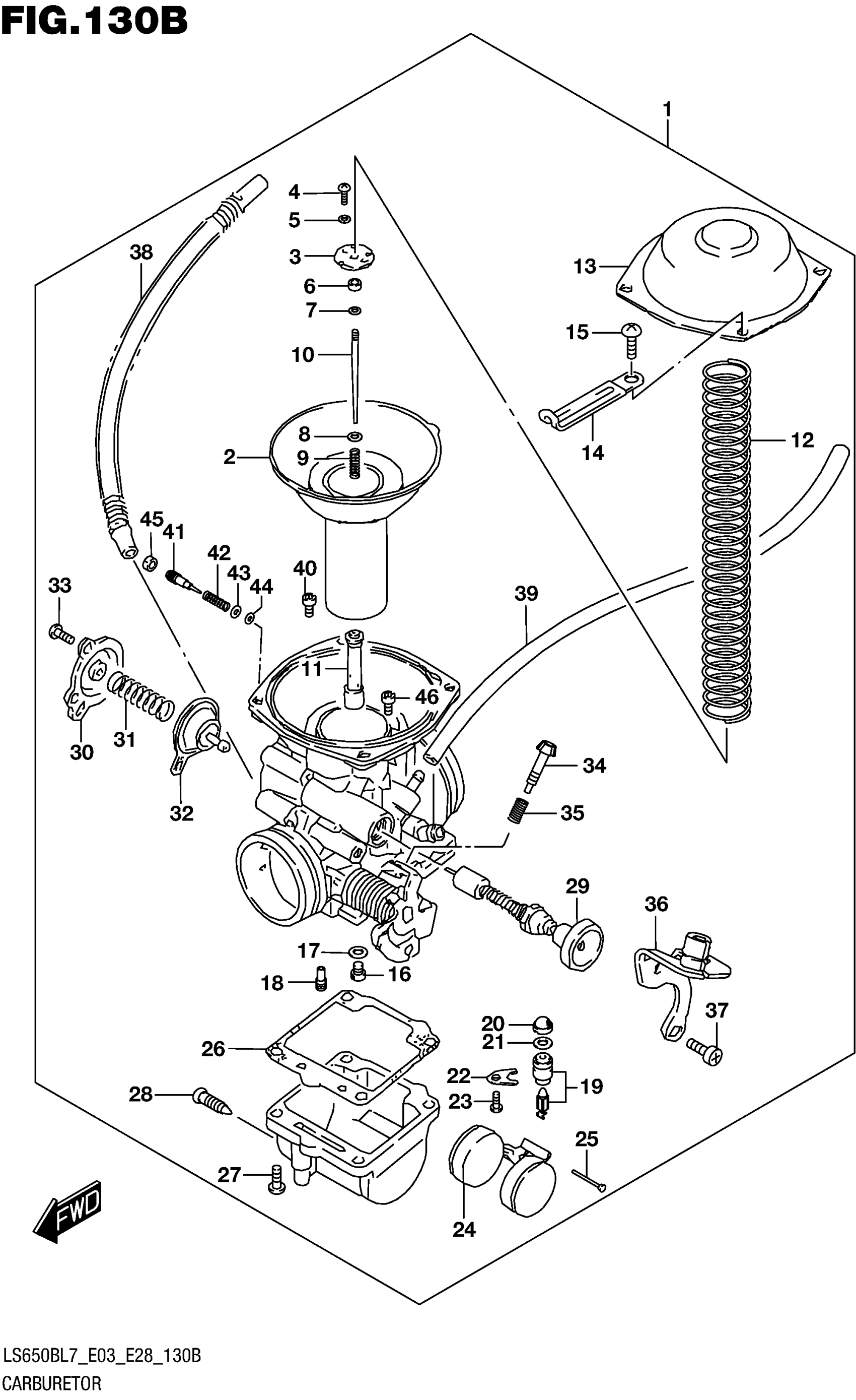
CARBURETOR (LS650BL7 E28)
Suzuki LS650BL7 (2017) CARBURETOR (LS650BL7 E28) Diagram
#
Description
Price
13
.COVER
13502-37400
Unavailable
