- Partiron
- OEM Parts
- Yamaha
- motorcycle
- 1972
- LS2 (LS2) 1972
HANDLE - WIRE
Yamaha LS2 (LS2) 1972 HANDLE - WIRE Diagram
#
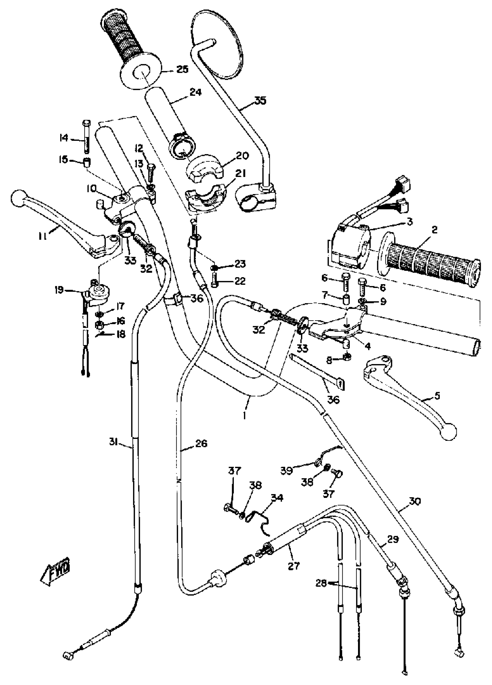
1
HANDLEBAR
(174-26111-00-93)
Unavailable
1
HANDLEBAR
(212-26111-00-00)
Unavailable
1
LEVER HOLDER ASSY 1
214-82910-07-00
Unavailable
1
CABLE, THROTTLE 1
(326-26311-40-00)
Unavailable
2
LEVER HOLDER ASSY 2
233-82920-32-00
Unavailable
2
GRIP LH
341-26241-00-00
Unavailable
3
SWITCH, HANDLE 4
(396-83972-11-00)
Unavailable
9
WASHER, SPRING
92995-06100-00
Unavailable
13
WASHER, SPRING
92995-06100-00
Unavailable
14
. BOLT
90109-05197-00
Unavailable
16
NUT, SLTED
95307-05900-00
Unavailable
17
. WASHER, PLAIN
92990-05200-00
Unavailable
18
. PIN, COTTER
91401-12018-00
Unavailable
19
FRONT STOP SWITCH ASSY
232-83980-30-00
Unavailable
20
CAP, GRIP UPPER
(307-26281-00-00)
Unavailable
21
CAP, GRIP LOWER
(307-26282-00-00)
Unavailable
22
SCREW, PAN HEAD(6B0)
97885-05016-00
Unavailable
23
YBS67-5 WASHER, SPRING
92990-05100-00
Unavailable
24
TUBE, GUIDE
1V1-26243-00-00
Unavailable
25
GRIP RH
(306-26242-10-00)
Unavailable
26
CABLE, THROTTLE 1
307-26311-00-00
Unavailable
27
CYLINDER, WIRE
156-26261-01-00
Unavailable
28
CABLE, THROTTLE 2
307-26312-00-00
Unavailable
29
CABLE, PUMP
307-26321-00-00
Unavailable
30
CABLE, CLUTCH
307-26335-00-00
Unavailable
30
CABLE, CLUTCH
337-26335-00-00
Unavailable
31
CABLE, BRAKE
(326-26341-00-00)
Unavailable
31
CABLE, BRAKE
(326-26341-40-00)
Unavailable
32
BOLT
90123-08002-00
Unavailable
33
NUT
90179-08030-00
Unavailable
34
CLIP
(90468-20018-00)
Unavailable
35
MIRROR ASY
253-26290-00-00
Unavailable
35
MIRROR ASSEMBLY LH
253-26290-10-00
Unavailable
36
BAND, SWITCH CORD
437-83936-01-00
Unavailable
37
BOLT (661)
97013-06012-00
Unavailable
38
WASHER, SPRING
92995-06100-00
Unavailable
39
GUIDE, CABLE
(326-26328-00-00)
Unavailable
