- Partiron
- OEM Parts
- Yamaha
- motorcycle
- 1972
- LS2 (LS2) 1972
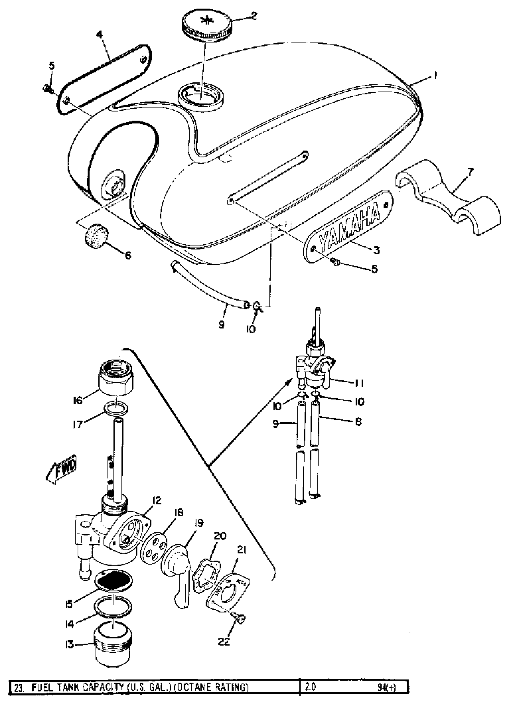
FUEL TANK
Yamaha LS2 (LS2) 1972 FUEL TANK Diagram
#
Description
Price
1
FUEL TANK
(326-24110-00-01)
Unavailable
3
EMBLEM 1
(326-24161-00-00)
Unavailable
4
EMBLEM 2
(326-24162-00-00)
Unavailable
7
DAMPER, LOCATING 2
(307-24182-00-00)
Unavailable
11
FUEL COCK ASSEMBLY 1
132-24500-02-00
Unavailable
12
TOOL
UNA-VAILA-BL-EI
Unavailable
13
. CUP, FILTER
1A0-24521-01-00
Unavailable
15
. NET, FILTER 2
304-24515-00-00
Unavailable
16
. NUT
132-24531-00-00
Unavailable
17
GASKET, FUEL COCK
434-24532-00-00
Unavailable
18
VALVE
137-24523-00-00
Unavailable
19
. LEVER, COCK
168-24524-00-00
Unavailable
20
WASHER, WAVE
132-24518-00-00
Unavailable
21
PLATE, LEVER FITTING
(132-24525-01-00)
Unavailable
22
SCREW, PAN HEAD (J10)
98580-03008-00
Unavailable
