- Partiron
- OEM Parts
- Yamaha
- motorcycle
- 1972
- LS2 (LS2) 1972
ELECTRICAL
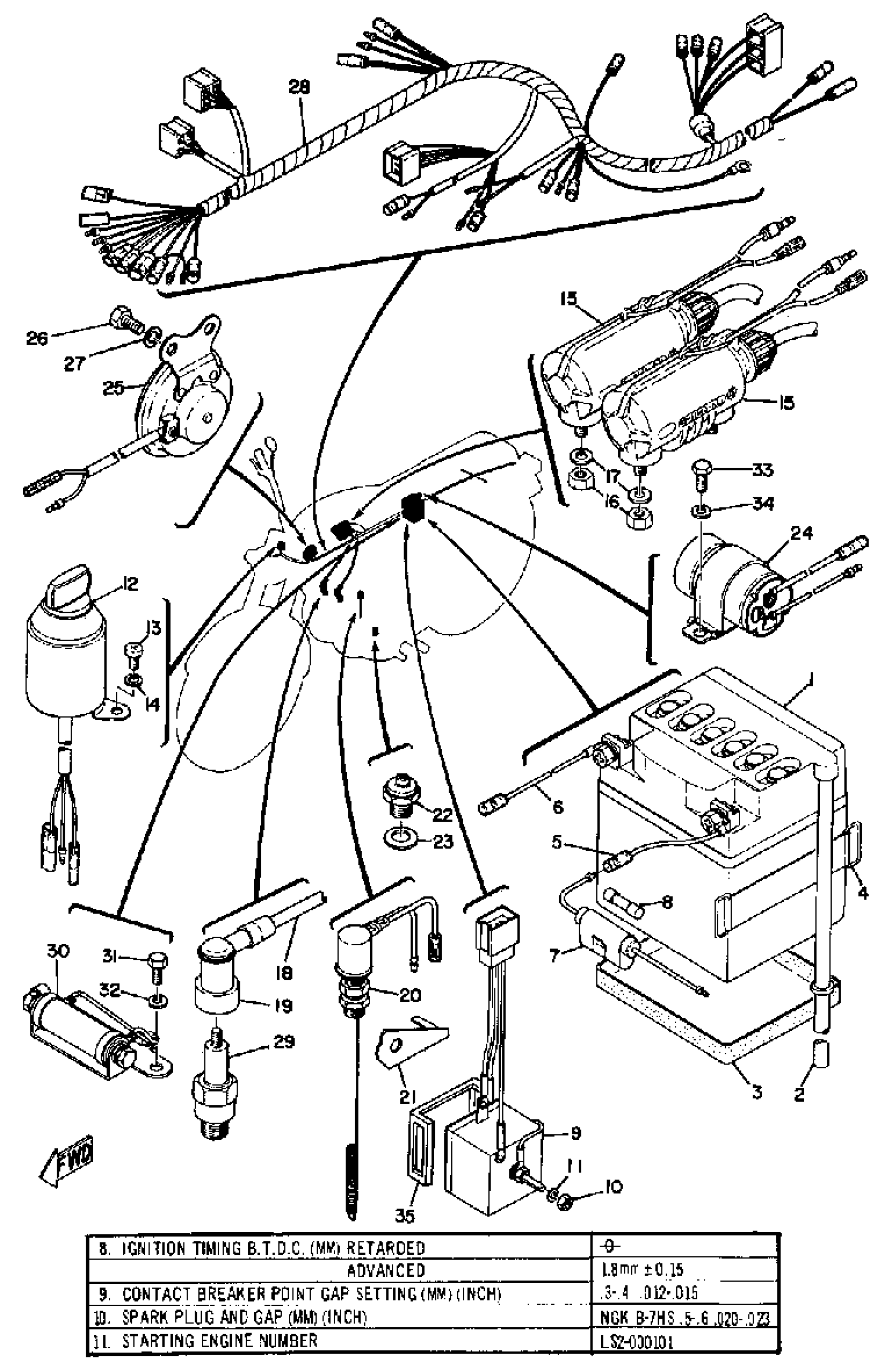
Yamaha LS2 (LS2) 1972 ELECTRICAL Diagram
#
1
12N5.5A3B YUASA BATTERY
12N-55A3B-Y0-00
Unavailable
2
PIPE, BREATHER
(170-82112-00-00)
Unavailable
3
SEAT, BATTERY
(118-82122-00-00)
Unavailable
5
WIRE, PLUS LEAD
(307-82115-00-00)
Unavailable
6
WIRE, MINUS LEAD
307-82116-00-00
Unavailable
7
FUSE HOLDER ASSY
2UJ-82150-02-00
Unavailable
9
RECTIFIER ASSEMBLY
357-81970-60-00
Unavailable
12
MAIN SWITCH ASSEMBLY
(307-82508-30-00)
Unavailable
13
SCREW, PAN HEAD(62X)
97885-05010-00
Unavailable
15
IGNITION COIL ASSEMBLY
254-82310-60-00
Unavailable
16
NUT, HEXAGON
95380-06600-00
Unavailable
17
WASHER, SPRING
92995-06100-00
Unavailable
18
CORD, HIGHT TENSION 1
137-82341-01-00
Unavailable
19
PLUG CAP ASSY
56J-82370-00-00
Unavailable
20
STOP SWITCH ASSY
307-82530-09-00
Unavailable
21
STAY, STOP SWITCH
(307-82539-00-33)
Unavailable
22
NEUTRAL SWITCH ASSY
136-82540-03-00
Unavailable
23
WASHER, PLATE
90201-12790-00
Unavailable
24
FLASHER RELAY ASSEMBLY
278-83350-71-00
Unavailable
25
HORN
326-83371-21-00
Unavailable
26
BOLT, HEXAGON
97017-06025-00
Unavailable
27
WASHER, SPRING
92995-06100-00
Unavailable
28
WIRE HARNESS ASSEMBLY
(326-82590-32-00)
Unavailable
29
B7HS NGK 4PK
B7H-S0000-00-00
Unavailable
30
RESISTOR
(327-81911-10-00)
Unavailable
31
BOLT(3JP)
97017-06010-00
Unavailable
32
WASHER, SPRING
92995-06100-00
Unavailable
33
SCREW, PAN HEAD(62J)
97885-06012-00
Unavailable
34
WASHER, SPRING
92995-06100-00
Unavailable
35
COVER, RECTIFIER
(307-81972-00-00)
Unavailable
