- Partiron
- OEM Parts
- Yamaha
- motorcycle
- 1972
- LS2 (LS2) 1972
CRANK-PISTON
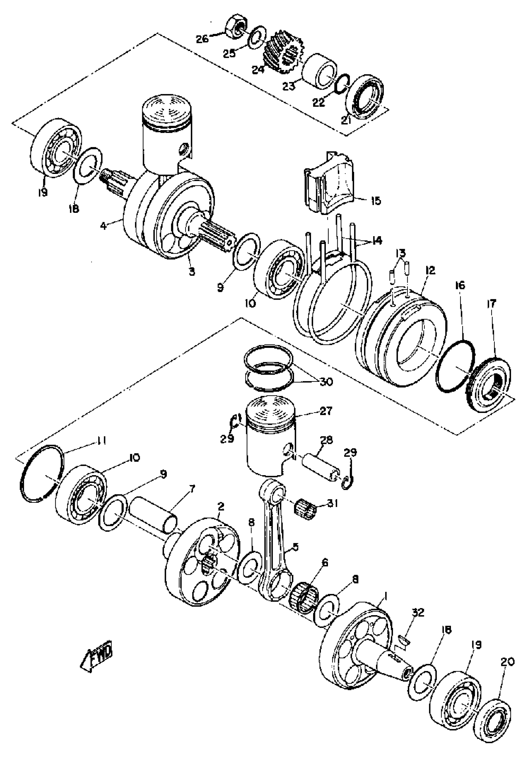
Yamaha LS2 (LS2) 1972 CRANK-PISTON Diagram
#
1
CRANK 1
(183-11412-03-00)
Unavailable
1
CRANKSHAFT ASSEMBLY
(307-11400-00-00)
Unavailable
2
CRANK 2
(132-11422-04-00)
Unavailable
3
CRANK 3
(132-11432-03-00)
Unavailable
4
CRANK 4
(183-11442-03-00)
Unavailable
5
. ROD, CONNECTING
1E7-11651-00-00
Unavailable
7
. PIN, CRANK 1
3R1-11681-00-00
Unavailable
9
. SHIM, CRANK 1
132-11561-00-03
Unavailable
11
. CIRCLIP
93450-52010-00
Unavailable
12
COVER, CRANK
(132-11511-02-00)
Unavailable
13
PIN, DOWEL(4SS)
93604-18251-00
Unavailable
14
. SEAL, CRANK COVER
183-11512-00-00
Unavailable
15
METAL, FILLER
(307-11541-00-00)
Unavailable
16
. O-RING
93210-48045-00
Unavailable
17
. SEAL, LABYRINTH 1
132-11515-01-00
Unavailable
18
SHIM, CRANK 1
136-11561-00-03
Unavailable
18
SHIM, CRANK 1
136-11561-00-04
Unavailable
18
SHIM, CRANK 1
136-11561-00-05
Unavailable
19
BRG,R-B 6304C3 52MM 144G KY
93306-30421-00
Unavailable
20
OIL SEAL(4BA)
93102-20447-00
Unavailable
21
OIL SEAL (28X40X8-132)
93103-28011-00
Unavailable
22
O-RING(3KX)
93210-180A6-00
Unavailable
23
COLLAR 183161360000
90387-20163-00
Unavailable
24
GEAR, PRI DRIVE
(183-16111-00-00)
Unavailable
25
WASHER, CONICAL SPRING 12,2 X
90208-12800-00
Unavailable
26
NUT, HEXAGON 1371637700
90170-12060-00
Unavailable
27
PISTON STD
327-11631-00-97
Unavailable
27
PISTON 1 O/S 0.25
327-11635-00-00
Unavailable
27
PISTON 2 O/S 0.50
(327-11636-00-00)
Unavailable
28
PIN, PISTON
(132-11633-00-00)
Unavailable
29
CIRCLIP 132116340000
93450-13022-00
Unavailable
30
RING SET STD KS
134-11610-02-00
Unavailable
30
PISTON RINGSET 1ST
134-11610-12-00
Unavailable
30
RING SET 2ND KS
134-11610-22-00
Unavailable
31
BEARING, CYLINDER.#10
93310-11296-00
Unavailable
32
PISTON KIT
(327-11630-00-00)
Unavailable
32
PISTON KIT
(327-11630-20-00)
Unavailable
32
PISTON KIT
(327-11630-20-00)
Unavailable
32
KEY WOODRUFF 146115450000
90280-03017-00
Unavailable
