- Partiron
- OEM Parts
- Sea-doo
- Watercraft
- 2001
- LRV
- LRV, 5697, 2001
Steering System
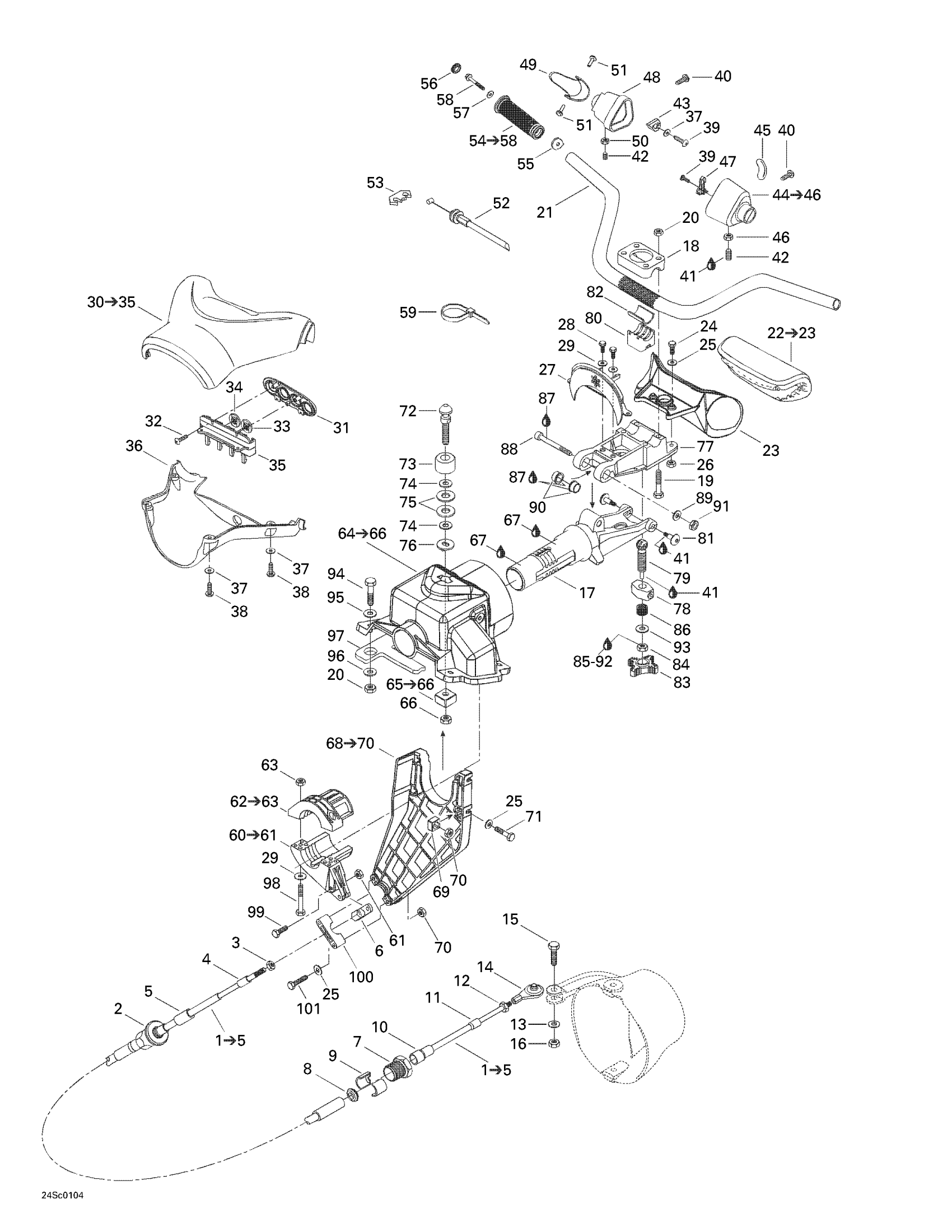
Sea-doo LRV, 5697, 2001 Steering System Diagram
#
1
Steering Cable | Includes 1 - 5.
204390205
Unavailable
17
Steering Stem
277000758400
Unavailable
18
STEERING CLAMP - Call your local BRP dealership
277000142
Unavailable
19
HEX. SCREW M8 X 70 - Call your local BRP dealership
207087060
Unavailable
21
Handlebar
277000840
Unavailable
22
Handle pad | Includes 22 - 23.
277000891
Unavailable
23
Handle Bar Pad Support
277000687
Unavailable
27
Plate, Black
277000766
Unavailable
28
HEX. FLANGED SCREW 1/4-20 X 1/2 - Call your local BRP dealership
211000036
Unavailable
30
Upper Steering Cover Ass’Y | LE, Includes 32 to 37
277000753
Unavailable
31
RETAINER PLATE - Call your local BRP dealership | LE
277000688
Unavailable
33
Mode Knob | LE
293000079
Unavailable
34
«Set» Knob | LE
293000080
Unavailable
35
Switch Support | LE
277000563
Unavailable
36
Lower Steering Cover
277000890
Unavailable
39
SCREW-TAPP.PAN HD.PH.DIN.7981C-A2 - Call your local BRP dealership
209631360
Unavailable
40
PHILLIPS SCREW M3.9 X 9.5 - Call your local BRP dealership
209630960
Unavailable
42
SCREW-SET SOCKET DIN.914A2 - Call your local BRP dealership
206361260
Unavailable
43
INSERT - Call your local BRP dealership
293450153
Unavailable
44
LH HANDLE HOUSING ASS'Y - Call your local BRP dealership | Includes 14 to 16
277000869
Unavailable
45
Switch Knob
277000306
Unavailable
46
SQUARE NUT M6 - Call your local BRP dealership
232860600
Unavailable
47
Retainer Plate
277000845
Unavailable
48
THROTTLE HOUSING ASS'Y - Call your local BRP dealership
277000872
Unavailable
49
Throttle Handle
277000214
Unavailable
50
SQUARE NUT M6 - Call your local BRP dealership
232860600
Unavailable
51
PIN - Call your local BRP dealership
277000381
Unavailable
52
THROTTLE CABLE - Call your local BRP dealership
204390207
Unavailable
53
TAB LOCK - Call your local BRP dealership
277000279
Unavailable
54
HANDLE GRIP KIT, BLACK - Call your local BRP dealership
295500691
Unavailable
55
Not Available As Spare Part - Friction Washer
Unavailable
60
Steering Stem Arm
277000573
Unavailable
62
Arm Thrust | Includes 43 to 44
277000519
Unavailable
64
STEERING SUPPORT - Call your local BRP dealership | Includes 59 to 61
277001471
Unavailable
65
NUT HOUSING ASS'Y - Call your local BRP dealership | Includes 60 to 61
271000598
Unavailable
66
HEX. ELASTIC NUT M10 - Call your local BRP dealership
232501600
Unavailable
67
Synthetic Grease, 400 G
293550010
Unavailable
68
CABLE SUPPORT - Call your local BRP dealership | Includes 56 to 58
277001522
Unavailable
72
Stud Latch
291000987
Unavailable
73
Rubber Pad
293830025
Unavailable
75
RUBBER WASHER - Call your local BRP dealership
291000628
Unavailable
76
Nylon Insert
293450152
Unavailable
77
Steering Support
277000901
Unavailable
78
BLOCK - Call your local BRP dealership
277000761
Unavailable
79
ADJUSTER SCREW - Call your local BRP dealership
211000145
Unavailable
80
STOPPER - Call your local BRP dealership
277000762
Unavailable
81
THREADED PIVOT - Call your local BRP dealership
277000763
Unavailable
82
Rubber Pad
293830071
Unavailable
83
ADJUSTER HANDLE - Call your local BRP dealership
277000764
Unavailable
86
Stopper Bushing
277000786
Unavailable
87
LUBRICANT LOCTITE LB 8150 236ML - Call your local BRP dealership
219704461
Unavailable
88
SOCKET HEAD SCREW M10 X 73 SCOTCH GRIP - Call your local BRP dealership
250000004
Unavailable
90
SUPPORT BUSHING - Call your local BRP dealership
277000844
Unavailable
97
GASKET - Call your local BRP dealership
293250171
Unavailable
100
SUPPORT THRUST - Call your local BRP dealership This part replaces 277000162.
277001528
Unavailable
