- Partiron
- OEM Parts
- Sea-doo
- Watercraft
- 2000
- LRV
- LRV, 5688, 2000
Steering System
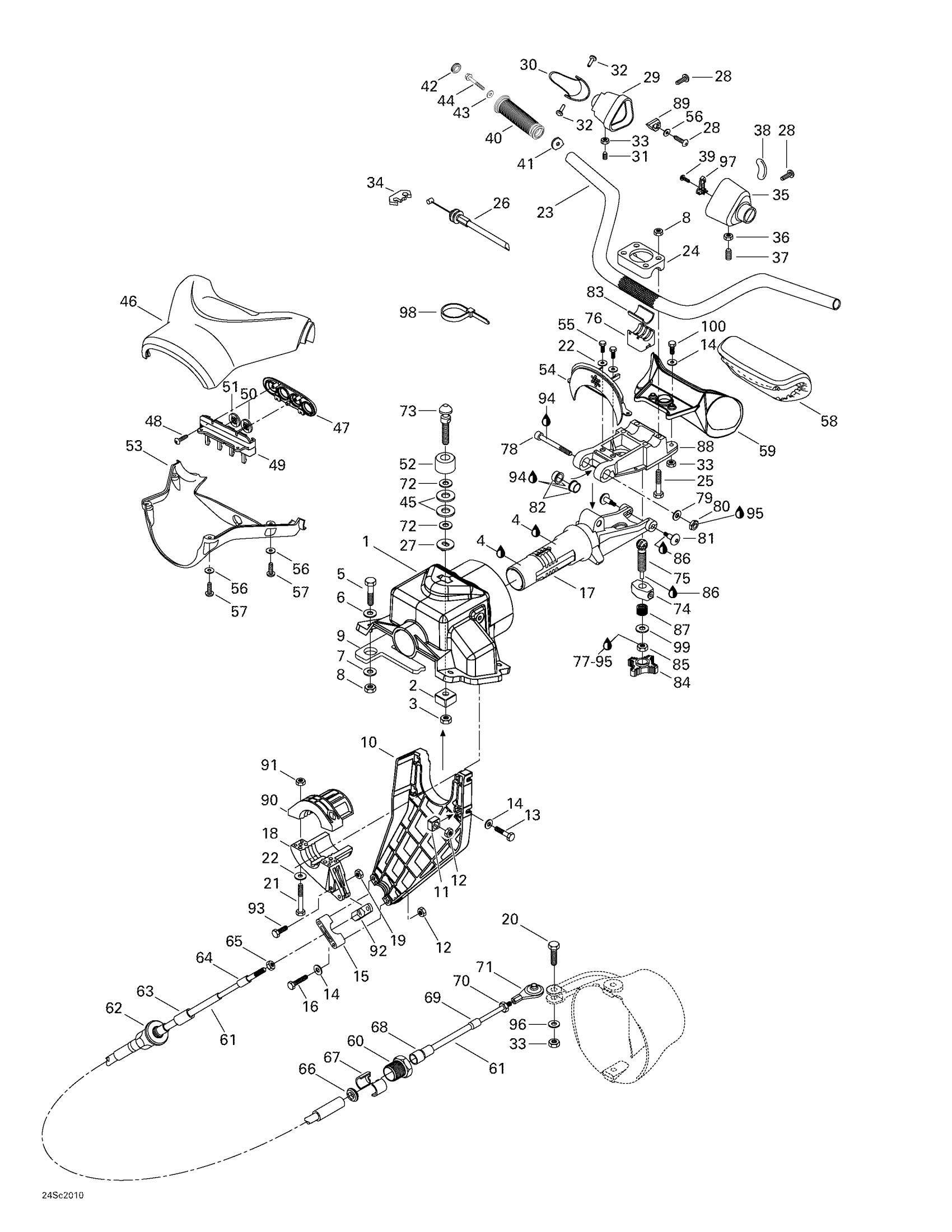
Sea-doo LRV, 5688, 2000 Steering System Diagram
#
1
STEERING SUPPORT - Call your local BRP dealership | Includes 59 to 61
277001471
Unavailable
2
NUT HOUSING ASS'Y - Call your local BRP dealership | Includes 60 to 61
271000598
Unavailable
3
HEX. ELASTIC NUT M10 - Call your local BRP dealership
232501600
Unavailable
4
Synthetic Grease, 400 G
293550010
Unavailable
9
GASKET - Call your local BRP dealership
293250171
Unavailable
10
CABLE SUPPORT - Call your local BRP dealership | Includes 56 to 58
277001522
Unavailable
15
SUPPORT THRUST - Call your local BRP dealership This part replaces 277000162.
277001528
Unavailable
17
Steering Stem
277000758400
Unavailable
18
Steering Stem Arm
277000573
Unavailable
23
Handlebar
277000840
Unavailable
24
STEERING CLAMP - Call your local BRP dealership
277000142
Unavailable
25
HEX. SCREW M8 X 70 - Call your local BRP dealership
207087060
Unavailable
26
THROTTLE CABLE - Call your local BRP dealership
204390207
Unavailable
27
Nylon Insert
293450152
Unavailable
28
PHILLIPS SCREW M3.9 X 9.5 - Call your local BRP dealership
209630960
Unavailable
29
Throttle Handle Housing
277000285
Unavailable
30
Throttle Handle
277000214
Unavailable
31
SCREW-SET SOCKET DIN.914A2 - Call your local BRP dealership
206361260
Unavailable
32
PIN - Call your local BRP dealership
277000381
Unavailable
34
TAB LOCK - Call your local BRP dealership
277000279
Unavailable
35
LH HANDLE HOUSING ASS'Y - Call your local BRP dealership | Includes 35 - 38.
277000036
Unavailable
37
SCREW-SET SOCKET DIN.914A2 - Call your local BRP dealership
206361260
Unavailable
38
Switch Knob
277000306
Unavailable
39
SCREW-TAPP.PAN HD.PH.DIN.7981C-A2 - Call your local BRP dealership
209631360
Unavailable
40
HANDLE GRIP KIT, BLACK - Call your local BRP dealership
295500691
Unavailable
41
Not Available As Spare Part - Friction Washer
Unavailable
45
RUBBER WASHER - Call your local BRP dealership
291000628
Unavailable
46
Upper Steering Cover Ass’Y | LE, Includes 32 to 37
277000753
Unavailable
47
RETAINER PLATE - Call your local BRP dealership | LE
277000688
Unavailable
49
Switch Support | LE
277000563
Unavailable
50
Mode Knob | LE
293000079
Unavailable
51
«Set» Knob | LE
293000080
Unavailable
52
Rubber Pad
293830025
Unavailable
53
Lower Steering Cover
277000890
Unavailable
54
Plate, Black
277000766
Unavailable
55
HEX. FLANGED SCREW 1/4-20 X 1/2 - Call your local BRP dealership
211000036
Unavailable
58
Pad-Handle | Includes 59 - 60.
277000723
Unavailable
59
Handle Bar Pad Support
277000687
Unavailable
61
Steering Cable | Includes 1 - 5.
204390205
Unavailable
73
Stud Latch
291000987
Unavailable
74
BLOCK - Call your local BRP dealership
277000761
Unavailable
75
ADJUSTER SCREW - Call your local BRP dealership
211000145
Unavailable
76
STOPPER - Call your local BRP dealership
277000762
Unavailable
78
SOCKET HEAD SCREW M10 X 73 SCOTCH GRIP - Call your local BRP dealership
250000004
Unavailable
81
THREADED PIVOT - Call your local BRP dealership
277000763
Unavailable
82
SUPPORT BUSHING - Call your local BRP dealership
277000844
Unavailable
83
Rubber Pad
293830071
Unavailable
84
ADJUSTER HANDLE - Call your local BRP dealership
277000764
Unavailable
87
Stopper Bushing
277000786
Unavailable
88
Steering Support
277000834
Unavailable
89
INSERT - Call your local BRP dealership
293450153
Unavailable
90
Arm Thrust | Includes 43 to 44
277000519
Unavailable
94
LUBRICANT LOCTITE LB 8150 - Call your local BRP dealership
293800023
Unavailable
97
Retainer Plate
277000845
Unavailable
