Partiron

Yamaha LC50H (LC50) 1981 TRANSMISSION Diagram

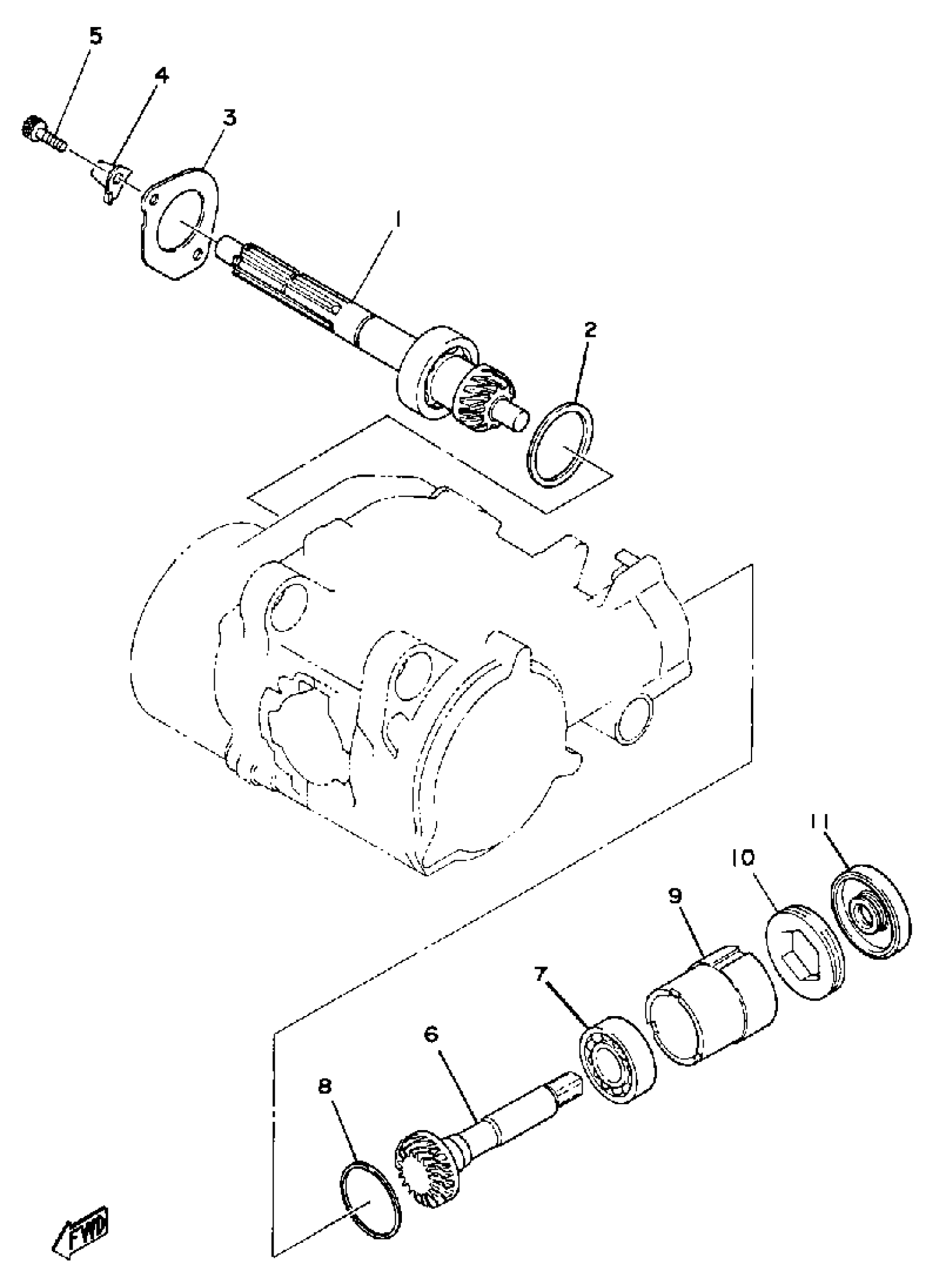
#

Description
Price

1

MAIN AXLE

3L6-17410-00-00

Unavailable

2

SHIM, PINION

3L5-17531-00-00

$6.99

3

PLATE, COVER

3L5-17471-00-00

Unavailable

4

STOPPER

3L5-17473-00-00

$6.99

5

BOLT,SOCKET

91317-06016-00

$1.25

6

DRIVEN PINION ASSEMBLY

3L5-17550-00-00

Unavailable

7

BRG,R-B 6203RS 40MM 63.3G KY

93306-20310-00

$37.99

8

SHIM, THRUST

3L5-17537-00-00

Unavailable

9

COLLAR, DISTANCE

3L5-17442-00-00

Unavailable

10

SCREW (3L5)

90149-45134-00

Unavailable

11

OIL SEAL (13U)

93102-15267-00

$11.49