Partiron

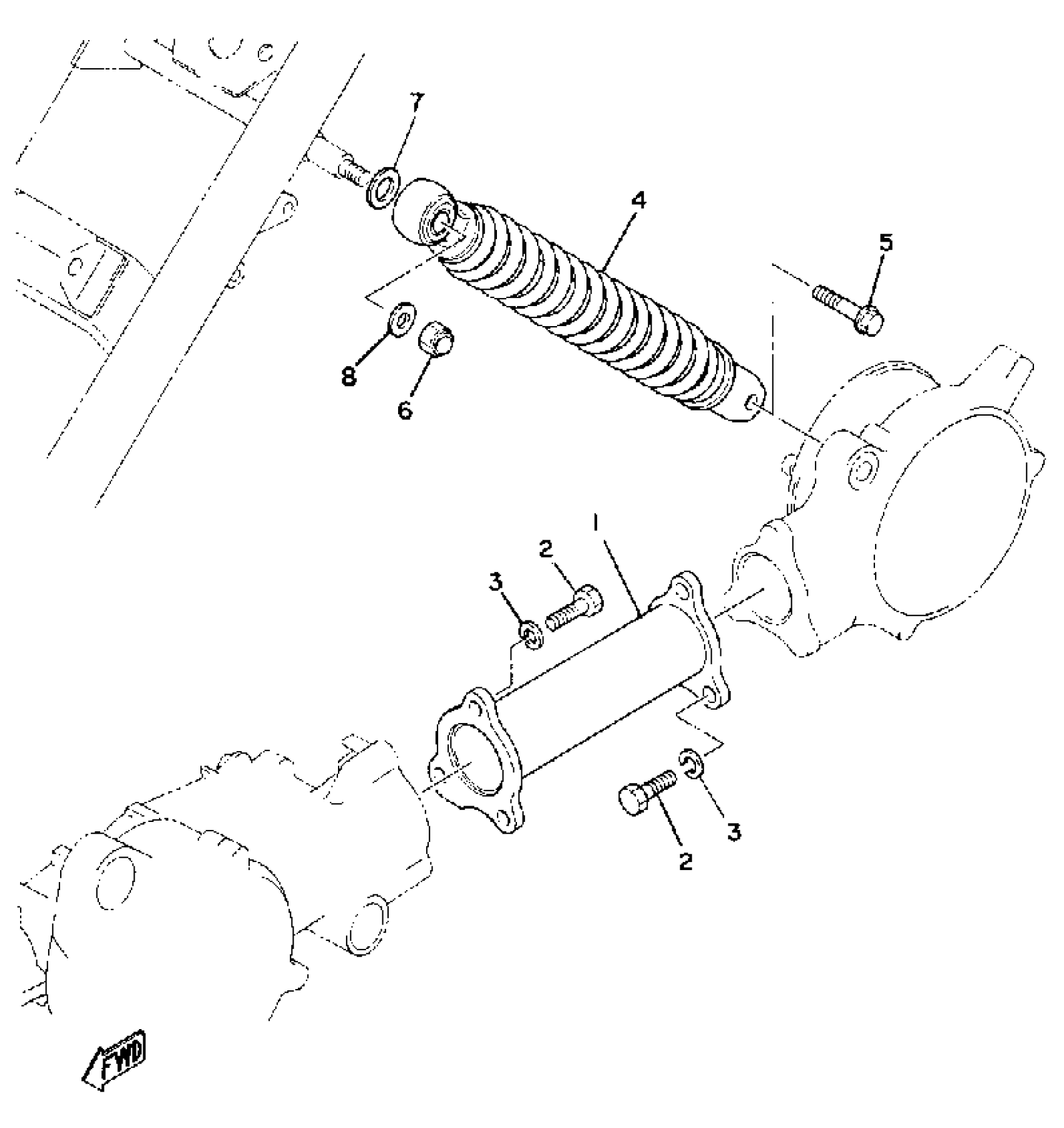
Yamaha LC50G (LC50) 1980 REAR ARM-SUSPENSION Diagram

#

Description
Price

1

REAR ARM

3L5-22110-00-35

Unavailable

2

BOLT, HEXAGON (3L6)

90101-08461-00

$5.60

3

YBS67-8 WASHER, SPRING

92990-08100-00

$5.60

4

SHK/ABS ASSEMBLY, REAR

(3L6-22210-00-00)

Unavailable

5

BOLT, FLANGE

90105-08121-00

$9.49

6

NUT, CROWN(82U)

90176-08063-00

$7.49

7

WASHER, PLATE

(90201-12773-00)

Unavailable

8

WASHER, PLATE (3L7)

90201-08784-00

$3.23