- Partiron
- OEM Parts
- Yamaha
- motorcycle
- 1980
- LC50G (LC50) 1980
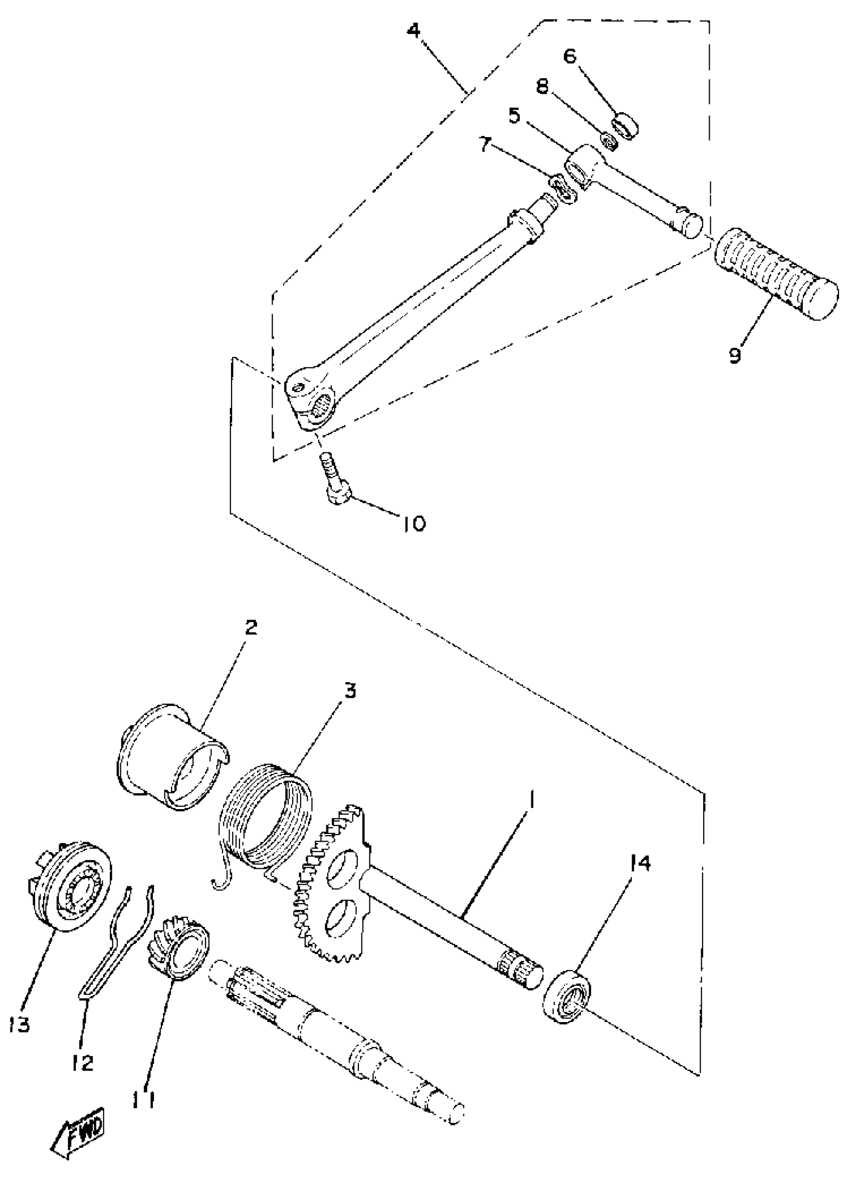
KICK STARTER
Yamaha LC50G (LC50) 1980 KICK STARTER Diagram
#
Description
Price
4
KICK CRANK ASSEMBLY
34M-15620-00-00
Unavailable
5
LEVER, KICK
(2T4-15612-00-00)
Unavailable
6
PLUG, TIGHT
(90331-13018-00)
Unavailable
7
. WASHER, WAVE
90206-10064-00
Unavailable
8
. CIRCLIP, OUTER
93440-10028-00
Unavailable
