- Partiron
- OEM Parts
- Yamaha
- motorcycle
- 1976
- LB80IIHC (LB80II) 1976
STAND - FOOTREST
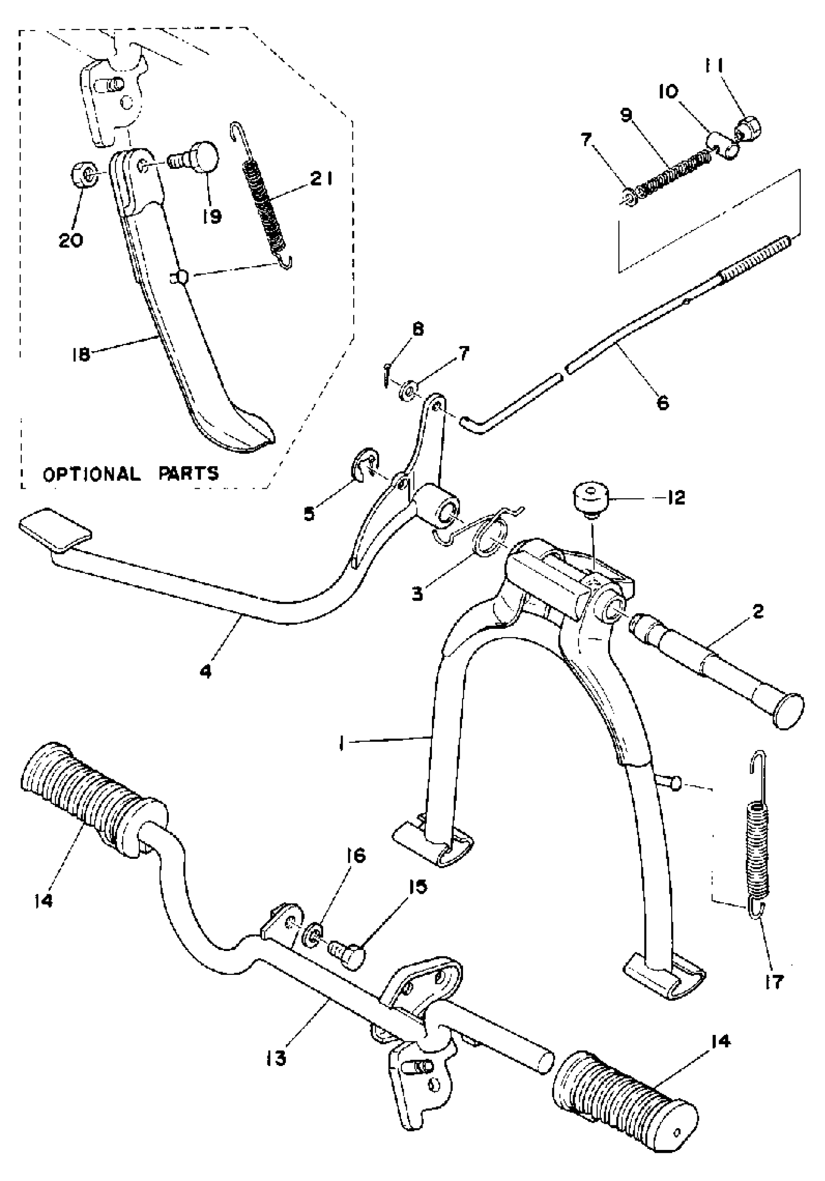
Yamaha LB80IIHC (LB80II) 1976 STAND - FOOTREST Diagram
#
Description
Price
1
STAND, MAIN (439-27111-03-33)
439-27111-03-00
Unavailable
2
SHAFT, MAIN STAND
(336-27112-00-00)
Unavailable
3
SPRING, TORSION
(90508-26037-00)
Unavailable
4
UNAVAILABLE IN PRICE BOOK
563-27211-02-93
Unavailable
6
ROD, BRAKE
288-27231-00-00
Unavailable
13
FOOTREST 1
(442-27411-00-00)
Unavailable
16
WASHER, SPRING
92995-06100-00
Unavailable
17
SPRING, TENSION (1L9)
90506-26270-00
Unavailable
18
STAND, SIDE
(395-27311-01-00)
Unavailable
19
BOLT 122273170100
90109-08032-00
Unavailable
20
. NUT
95380-08700-00
Unavailable
21
SPRING TENSION 146273160000
90506-29052-00
Unavailable
