- Partiron
- OEM Parts
- Yamaha
- motorcycle
- 1976
- LB80IIHC (LB80II) 1976
REAR WHEEL
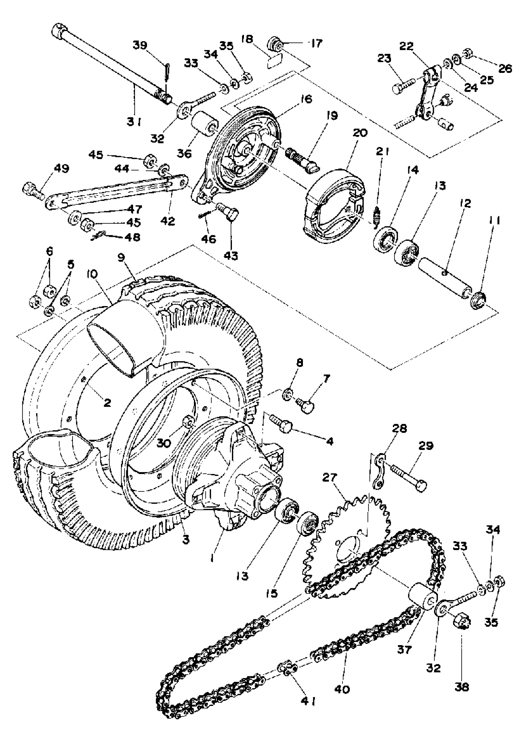
Yamaha LB80IIHC (LB80II) 1976 REAR WHEEL Diagram
#
1
HUB, REAR
(439-25311-00-00)
Unavailable
2
PANEL, WHEEL 1
(395-25337-00-35)
Unavailable
3
PANEL, WHEEL 2
(395-25347-00-35)
Unavailable
7
UNAVAILABLE IN PRICE BOOK (ISO)
97313-08015-00
Unavailable
8
WASHER, BELLEVILLE
92907-08800-00
Unavailable
9
TIRE (5F5)
94140-08747-00
Unavailable
10
TUBE
94240-08136-00
Unavailable
12
SPACER (439-25317-00)
90560-12110-00
Unavailable
16
BRAKE SHOE PLT ASSEMBLY
(339-25320-10-00)
Unavailable
17
GROMMET (397)
90480-10068-00
Unavailable
18
LABEL, INDICATOR
(437-25134-00-00)
Unavailable
19
CAM SHAFT
122-25351-02-00
Unavailable
20
BRAKE SHOE KIT
2JL-W253E-20-00
Unavailable
21
SPRING, TENSION (566).
90506-16150-00
Unavailable
22
LEVER, CAMSHAFT
102-25355-01-00
Unavailable
23
BOLT, HEXAGON (538)
90101-06278-00
Unavailable
24
WASHER, PLAIN (646)
92990-06600-00
Unavailable
25
WASHER, SPRING
92995-06100-00
Unavailable
26
NUT, HEXAGON
95380-06600-00
Unavailable
27
UNAVAILABLE IN PRICE BOOK (109-25426-2033)
109-25426-20-00
Unavailable
28
WASHER
2AL-25412-00-00
Unavailable
29
BOLT 109254110000
90109-08319-00
Unavailable
30
NUT, HEXAGON (509)
90170-08158-00
Unavailable
31
AXLE, WHEEL
439-25381-01-00
Unavailable
32
PULLER, CHAIN
3AC-2538G-10-00
Unavailable
33
WASHER, PLAIN (646)
92990-06600-00
Unavailable
34
WASHER, SPRING
92995-06100-00
Unavailable
35
NUT, HEXAGON
95380-06600-00
Unavailable
36
COLLAR 102253830000
90387-12412-00
Unavailable
37
COLLAR (40E)
90387-120F9-00
Unavailable
38
NUT CASTLE(481)
90171-12005-00
Unavailable
39
PIN, COTTER
91490-30030-00
Unavailable
40
CHAIN, DRIVE
9Y580-52087-00
Unavailable
41
JOINT, CHAIN (29A)
94680-52001-00
Unavailable
42
BAR, TENSION
561-25371-00-00
Unavailable
43
BOLT 1022537300
90109-08183-00
Unavailable
45
. NUT
95380-08700-00
Unavailable
46
PIN, COTTER
91490-20025-00
Unavailable
48
CLIP (156-83525-00)
90468-10050-00
Unavailable
49
BOLT (183-25378-00)
90109-08368-00
Unavailable
