- Partiron
- OEM Parts
- Yamaha
- motorcycle
- 1976
- LB80IIHC (LB80II) 1976
ELECTRICAL
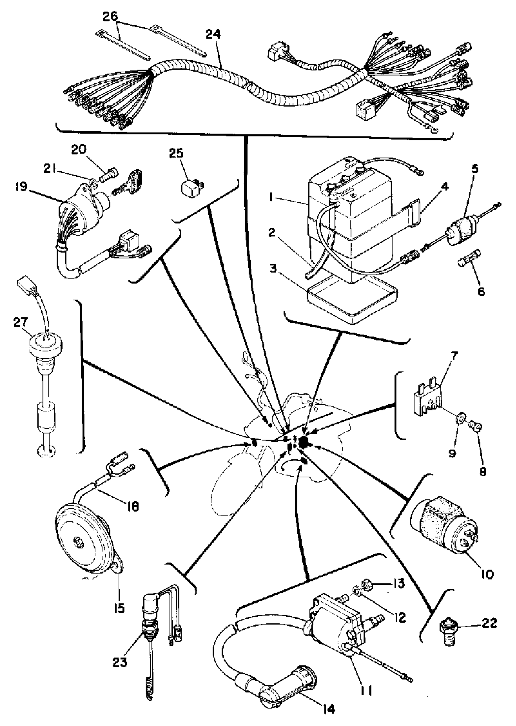
Yamaha LB80IIHC (LB80II) 1976 ELECTRICAL Diagram
#
Description
Price
1
6N4-2A-2 GS BATTERY
6N4-2A200-00-00
Unavailable
2
HOSE
(90445-08247-00)
Unavailable
3
SEAT, BATTERY
268-82122-00-00
Unavailable
7
RECTIFIER ASSY
353-81970-M2-00
Unavailable
8
SCREW, PAN HEAD
98580-05020-00
Unavailable
9
. WASHER, PLAIN
92990-05200-00
Unavailable
10
FLASHER RELAY ASSEMBLY
542-83350-60-00
Unavailable
11
IGNITION COIL ASSY
355-82310-40-00
Unavailable
12
WASHER, SPRING
92995-06100-00
Unavailable
13
NUT, HEXAGON
95380-06600-00
Unavailable
15
HORN
2A7-83371-10-00
Unavailable
16
BOLT (661)
97013-06012-00
Unavailable
17
WASHER, SPRING
92995-06100-00
Unavailable
18
LEAD, HORN
(395-83373-00-00)
Unavailable
19
MAIN SWITCH ASSEMBLY
542-82508-20-00
Unavailable
20
SCREW, PAN HEAD(62X)
97885-05010-00
Unavailable
21
YBS67-5 WASHER, SPRING
92990-05100-00
Unavailable
22
NEUTRAL SWITCH ASSY
4GY-82540-10-00
Unavailable
23
STOP SWITCH
1J7-82530-02-00
Unavailable
24
WIRE HARNESS ASSEMBLY
(542-82590-21-00)
Unavailable
25
DIODE
(441-81980-60-00)
Unavailable
26
STRAP
(561-20000-20-00)
Unavailable
27
OIL LVL GUAGE ASY
4L0-85720-00-00
Unavailable
