- Partiron
- OEM Parts
- Yamaha
- motorcycle
- 1976
- LB80IIHC (LB80II) 1976
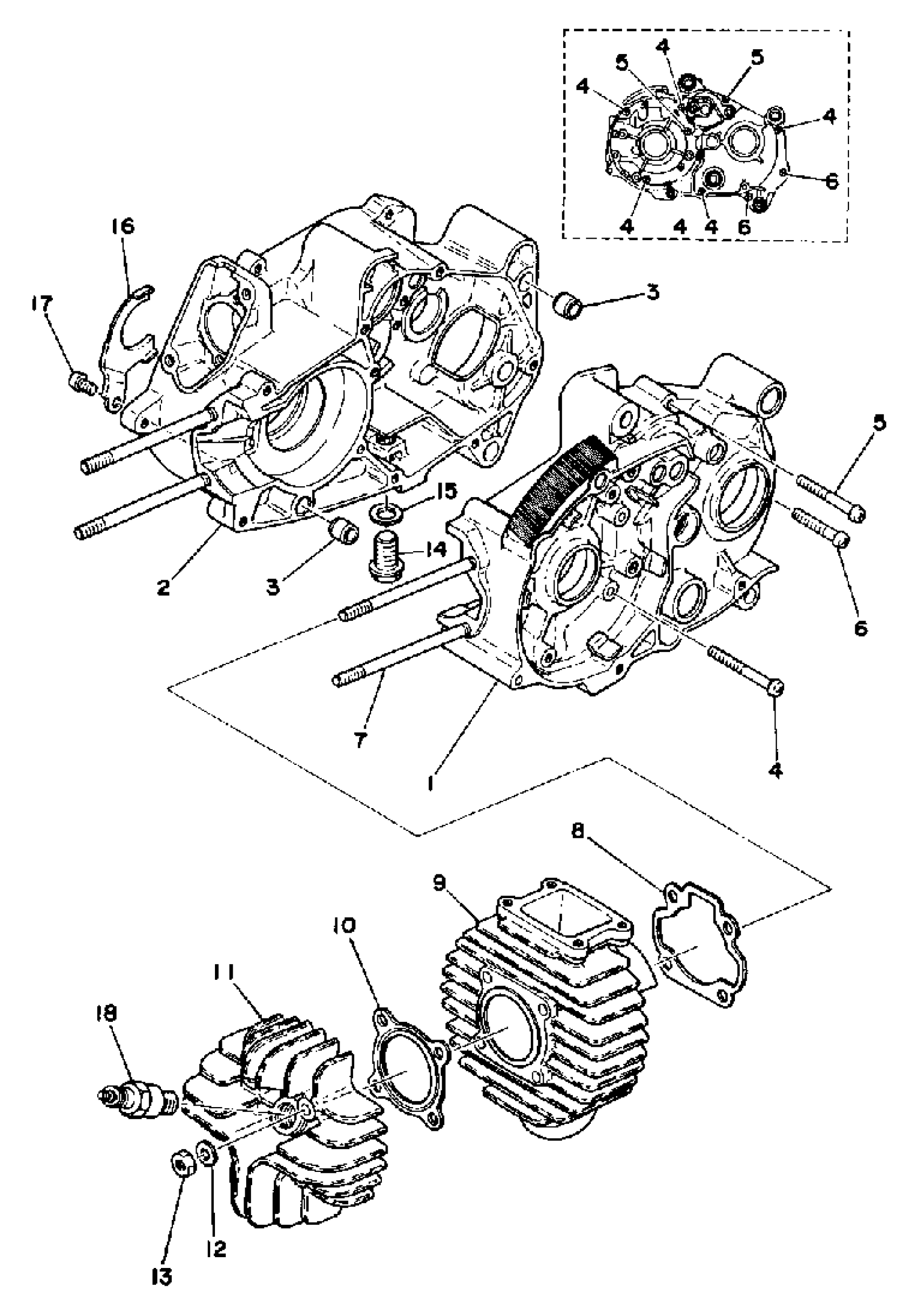
CRANKCASE - CYLINDER
Yamaha LB80IIHC (LB80II) 1976 CRANKCASE - CYLINDER Diagram
#
Description
Price
1
UNAVAILABLE IN PRICE BOOK
(442-15111-01-00)
Unavailable
2
CRANKCASE 2
(442-15121-01-00)
Unavailable
6
SCREW, PAN HEAD(6H4)
97885-06035-00
Unavailable
8
GASKET, CYLINDER
440-11351-01-00
Unavailable
9
NO LONGER AVAILABLE
440-11311-00-00
Unavailable
11
HEAD, CYLINDER 1
(440-11111-00-00)
Unavailable
13
NUT, HEXAGON
95380-06600-00
Unavailable
16
HOLDER
(296-15128-00-00)
Unavailable
17
SCREW, PAN
98507-08010-00
Unavailable
18
B7HS NGK 4PK
B7H-S0000-00-00
Unavailable
