- Partiron
- OEM Parts
- Yamaha
- motorcycle
- 1976
- LB802AC (LB802A) 1976
INTAKE LB80IIAD
Yamaha LB802AC (LB802A) 1976 INTAKE LB80IIAD Diagram
#
Description
Price
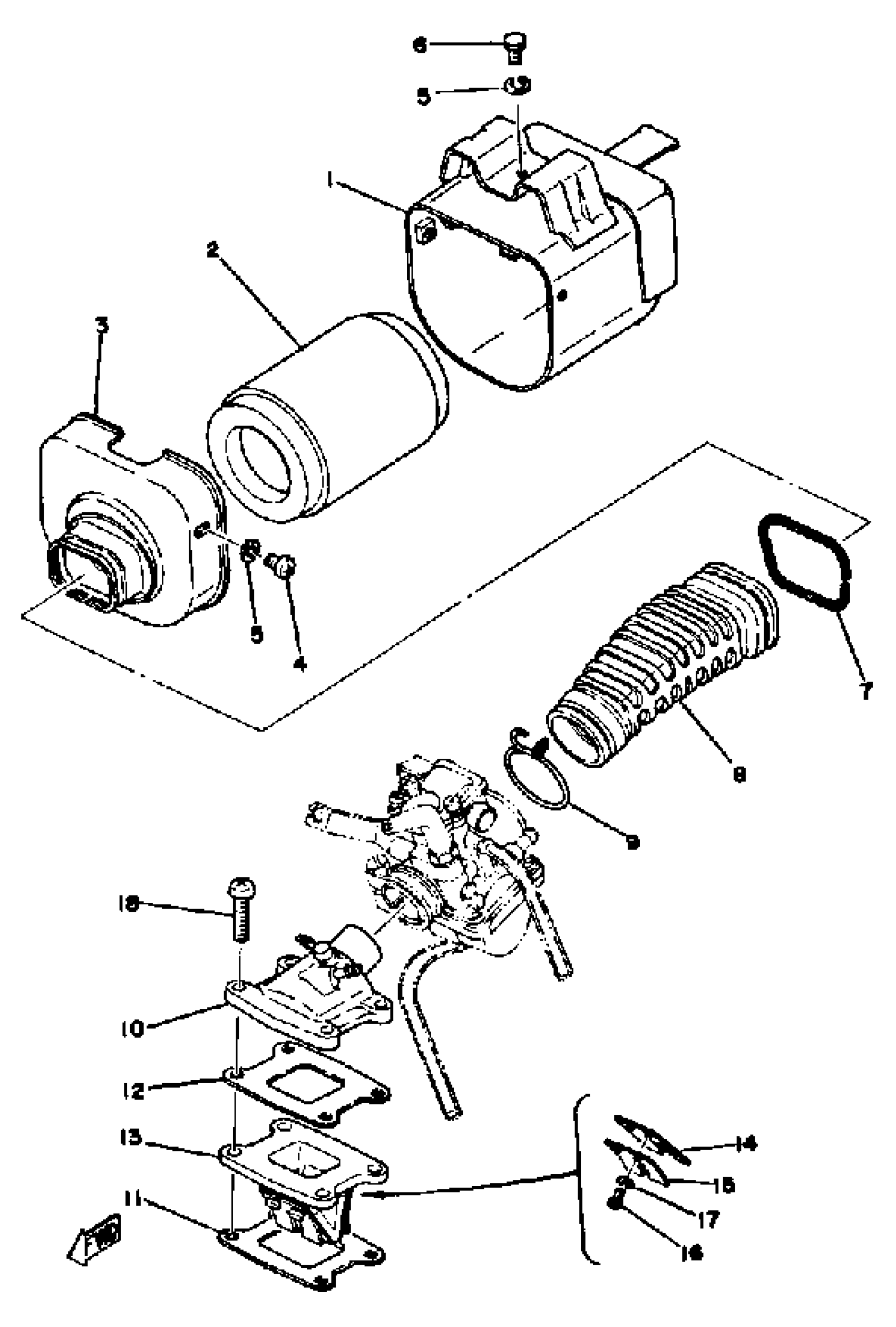
1
CASE, AIR CLEANER 1
(1F5-14411-01-00)
Unavailable
3
CASE, AIR CLNR 1
1V8-W1441-01-00
Unavailable
4
SCREW, PAN HEAD(6A3)
97885-06008-00
Unavailable
5
WASHER, SPRING
92995-06100-00
Unavailable
8
JOINT, AIR CLEANER
439-14453-01-00
Unavailable
10
JOINT, CARBURETOR
(1F5-13565-00-00)
Unavailable
11
GASKET, VALVE SEAT
1F5-13621-02-00
Unavailable
12
GASKET, VALVE SEAT
1F5-13622-02-00
Unavailable
13
REED VALVE ASSEMBLY
(1F5-13610-00-00)
Unavailable
14
VALVE, REED
314-13613-01-00
Unavailable
15
. STOPPER, REED VALVE
10X-13616-00-00
Unavailable
16
SCREW, PAN HEAD (J10)
98580-03008-00
Unavailable
17
WASHER, SPRING
92990-03100-00
Unavailable
18
SCREW, PAN HEAD (76T)
98517-06025-00
Unavailable
