Partiron

Yamaha LB80_3D (LB80-3D) 1977 SHIFTER 2 Diagram

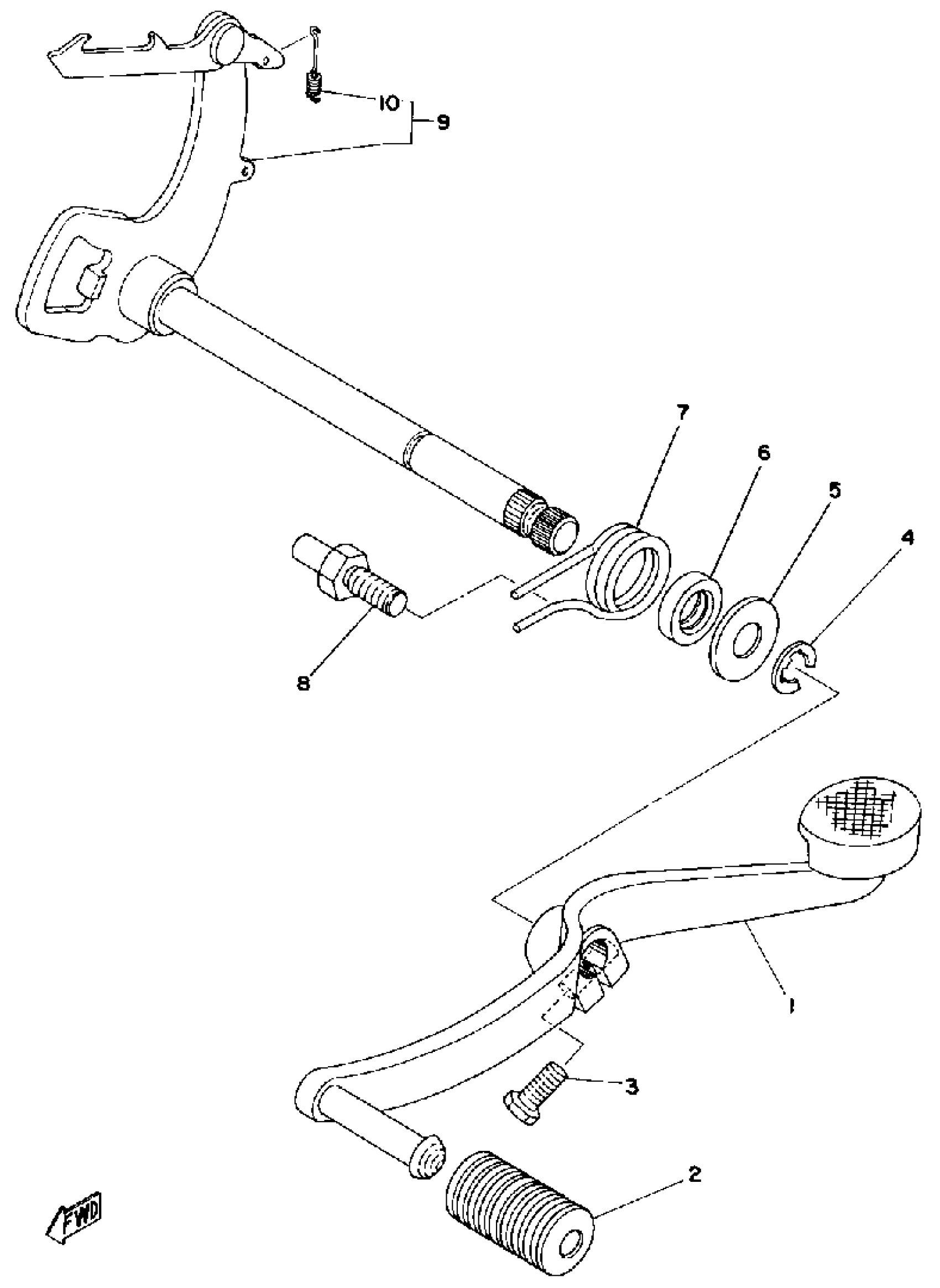
#

Description
Price

1

UNAVAILABLE IN PRICE BOOK

441-18111-01-93

Unavailable

2

COVER, CHANGE PEDAL

132-18113-01-00

$7.99

3

BOLT, HEXAGON

97017-06020-00

$4.06

4

CIRCLIP

99006-10600-00

$9.49

5

WASHER, PLATE (353)

90201-12575-00

$8.49

6

SEAL, OIL (30X)

93102-12321-00

$12.49

7

UNAVAILABLE IN PRICE BOOK

90508-32203-00

Unavailable

8

STOPPER, SCREW

278-18127-01-00

$17.49

9

SHIFT SHAFT ASSY

58H-18101-04-00

$60.99

10

SPRING, TENSION (296)

90506-08122-00

$7.49