- Partiron
- OEM Parts
- Yamaha
- motorcycle
- 1980
- LB50PG (LB50P) 1980
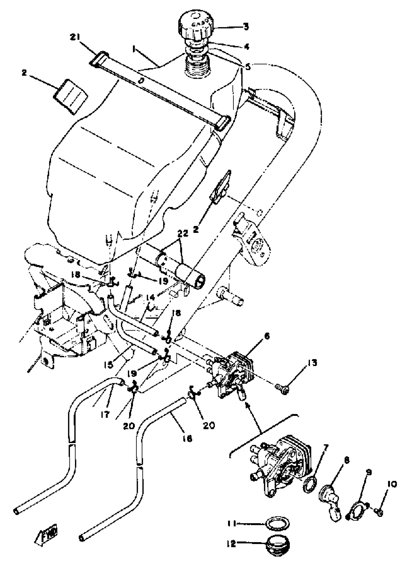
FUEL TANK LB50PG - PH - PJ
Yamaha LB50PG (LB50P) 1980 FUEL TANK LB50PG - PH - PJ Diagram
#
Description
Price
1
FUEL TANK
(1L4-24111-00-00)
Unavailable
2
DAMPER, LOCATING 2
439-24182-00-00
Unavailable
4
. GASKET, PLATE 1
1L4-24615-00-00
Unavailable
5
. GASKET, PLATE 2
1L4-24616-00-00
Unavailable
6
FUEL COCK ASSY
439-24500-02-00
Unavailable
7
VALVE
266-24523-00-00
Unavailable
8
. LEVER, COCK
439-24524-00-00
Unavailable
9
WASHER, WAVE
(296-24518-00-00)
Unavailable
9
PLATE, LVR FITTING
(439-24525-00-00)
Unavailable
11
GASKET
266-24522-00-00
Unavailable
12
. CUP, FILTER
266-24521-01-00
Unavailable
14
PIPE, FUEL 1
4KN-24311-01-00
Unavailable
15
HOSE (L420)
90445-092K1-00
Unavailable
16
HOSE (L420)
90445-092K1-00
Unavailable
17
PIPE 7
439-24317-00-00
Unavailable
18
CLIP 101235600
90467-08003-00
Unavailable
19
CLIP 101235600
90467-08003-00
Unavailable
20
CLIP 101235600
90467-08003-00
Unavailable
21
BAND, TANK FITTING
561-24173-00-00
Unavailable
22
DAMPER, LOCATING 1
439-24181-00-00
Unavailable
