- Partiron
- OEM Parts
- Yamaha
- motorcycle
- 1978
- LB50PE (LB50P) 1978
ELECTRICAL
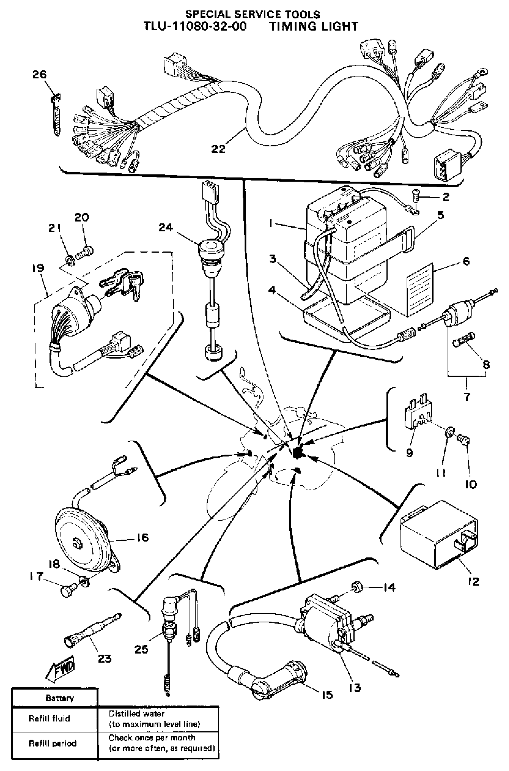
Yamaha LB50PE (LB50P) 1978 ELECTRICAL Diagram
#
Description
Price
1
6N4-2A-2 GS BATTERY
6N4-2A200-00-00
Unavailable
3
HOSE
(90445-08247-00)
Unavailable
4
SEAT, BATTERY
268-82122-00-00
Unavailable
6
LABEL, BATTERY
40A-82141-G0-00
Unavailable
9
RECTIFIER ASSY
353-81970-M2-00
Unavailable
9
RECTIFIER ASSY
353-81970-M2-00
Unavailable
10
SCREW, PAN HEAD
98580-05020-00
Unavailable
12
FLASHER RELAY ASSEMBLY
2F7-83350-60-00
Unavailable
13
IGNITION COIL ASSY
355-82310-40-00
Unavailable
14
NUT, HEXAGON
95380-06600-00
Unavailable
15
PLUG CAP ASSY
56J-82370-00-00
Unavailable
16
HORN
2A7-83371-10-00
Unavailable
17
BOLT (661)
97013-06012-00
Unavailable
18
WASHER, SPRING
92995-06100-00
Unavailable
19
MAIN SWITCH ASSY
2F7-82510-50-00
Unavailable
20
SCREW, PAN HEAD(62X)
97885-05010-00
Unavailable
21
YBS67-5 WASHER, SPRING
92990-05100-00
Unavailable
22
WIRE HARNESS ASSEMBLY
(2U7-82590-20-00)
Unavailable
23
DIODE ASSY
517-81980-A0-00
Unavailable
24
OIL LVL GUAGE ASY
4L0-85720-00-00
Unavailable
25
STOP SWITCH
1J7-82530-02-00
Unavailable
26
BAND, SWITCH CORD
437-83936-01-00
Unavailable
