- Partiron
- OEM Parts
- Yamaha
- motorcycle
- 1978
- LB50PE (LB50P) 1978
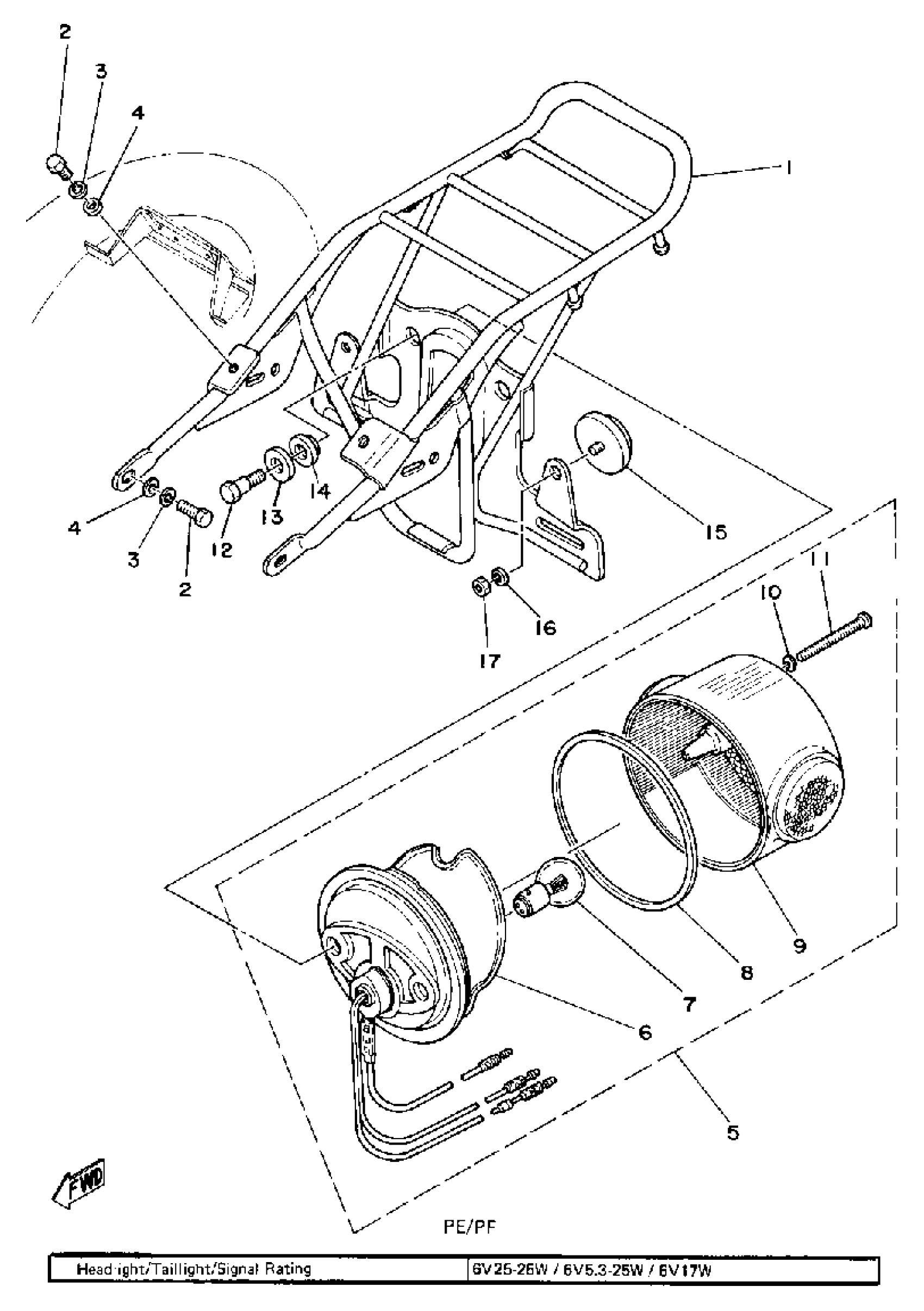
CARRIER-TAIL LAMP
Yamaha LB50PE (LB50P) 1978 CARRIER-TAIL LAMP Diagram
#
Description
Price
1
CARRIER ASSEMBLY
(542-24810-01-00)
Unavailable
3
WASHER, SPRING
92995-06100-00
Unavailable
5
TAIL LIGHT UNIT ASSEMBLY
437-84510-62-00
Unavailable
6
BASE, TAILLIGHT
(444-84711-61-00)
Unavailable
7
. BULB
1M1-84514-60-00
Unavailable
8
. GASKET, LENS
275-84523-60-00
Unavailable
9
. LENS, TAIL LIGHT
341-84721-60-00
Unavailable
10
. WASHER
341-84722-60-00
Unavailable
11
SCREW, PANHEAD (4G7)
98580-04055-00
Unavailable
12
SCREW
(479-84526-00-00)
Unavailable
14
. DAMPER
275-84527-60-00
Unavailable
16
YBS67-5 WASHER, SPRING
92990-05100-00
Unavailable
17
NUT, HEXAGON (663)
95380-05600-00
Unavailable
