- Partiron
- OEM Parts
- Yamaha
- motorcycle
- 1978
- LB50PE (LB50P) 1978
CARBURETOR
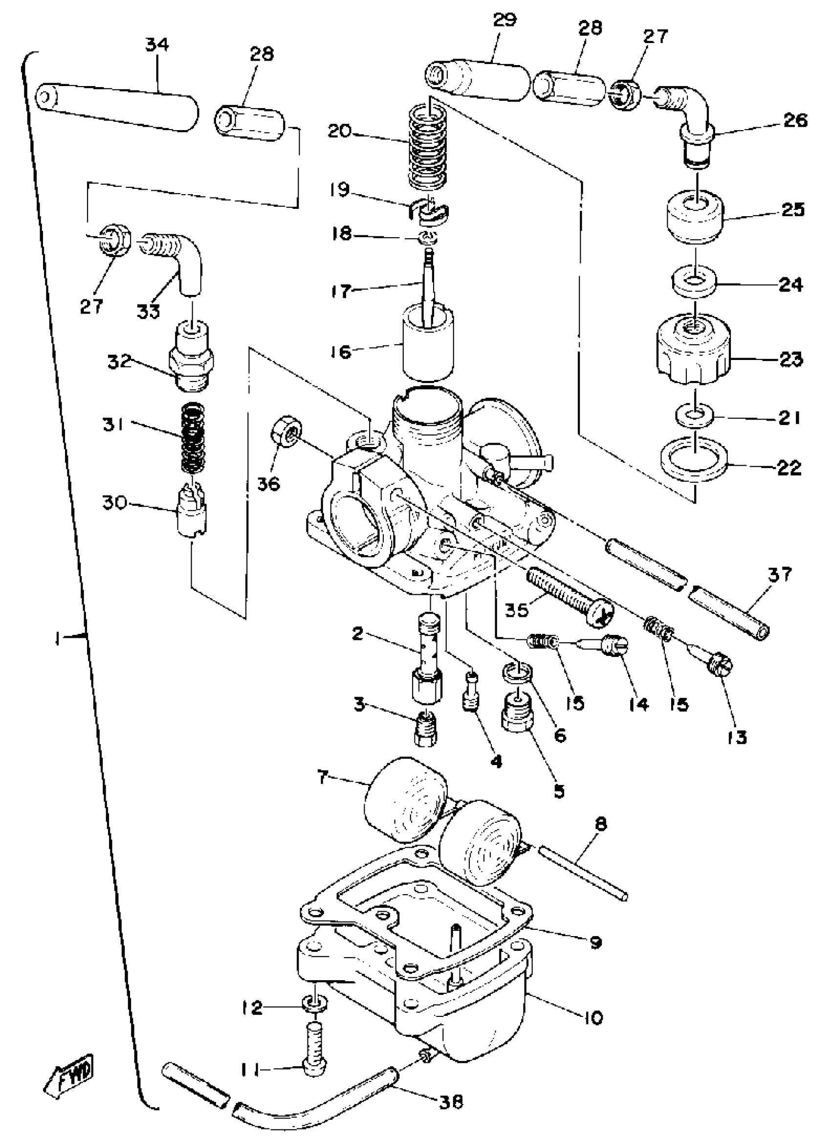
Yamaha LB50PE (LB50P) 1978 CARBURETOR Diagram
#
1
CARBURETOR ASSEMBLY 1
(1V8-14101-10-00)
Unavailable
2
NOZZLE, MAIN
(1V8-14141-14-00)
Unavailable
3
. JET, MAIN #65
127-14143-13-00
Unavailable
3
JET, MAIN #70
(127-14143-14-00)
Unavailable
3
. JET, MAIN #75
127-14143-15-00
Unavailable
10
BODY, FLOAT CHMBR 1
(1V3-14181-05-00)
Unavailable
14
. SCREW, AIR ADJUSTINGSET
127-W1412-00-00
Unavailable
15
SPRING, AIR ADJUSTING
127-14134-00-00
Unavailable
16
. VALVE, THROTTLE 1
1V8-14112-30-00
Unavailable
17
NEEDLE
127-14116-09-00
Unavailable
18
CLIP
127-14137-00-00
Unavailable
19
. SEAT, SPRING
296-14136-00-00
Unavailable
20
. SPRING, THRTL VALVE
127-14131-00-00
Unavailable
21
.. WASHER, PLUG SCREW
584-14956-00-00
Unavailable
22
GASKET
1V3-14126-00-00
Unavailable
23
TOP, MIXING CHAMBER
(1V3-14158-00-00)
Unavailable
24
GASKET
509-14198-00-00
Unavailable
25
CAP
3X3-14169-00-00
Unavailable
26
GUIDE, CABLE
(1V3-14155-00-00)
Unavailable
27
NUT, WIRE ADJUSTING
127-14161-00-00
Unavailable
28
CABLE ADJUST SCREW SET
17L-14106-00-00
Unavailable
29
CAP
1R0-14169-00-00
Unavailable
30
PLUNGER, STARTER
58E-14171-00-00
Unavailable
31
SPRING, PLUNGER
127-14135-00-00
Unavailable
32
. CAP, PLUNGER
439-14174-01-00
Unavailable
33
. GUIDE, CABLE
439-14155-00-00
Unavailable
34
. CAP
439-14169-00-00
Unavailable
35
. SCREW, BODY FITTING
127-14125-01-00
Unavailable
36
NUT, HOLDING
(296-14164-00-00)
Unavailable
37
PIPE, OVERFLOW
(1M2-14196-00-00)
Unavailable
38
PIPE, OVERFLOW
(1V3-14196-00-00)
Unavailable
