Kawasaki KZ750-E1 REAR WHEEL/HUB/CHAIN ('80 KZY 50-E1) Diagram
#
Description
Price
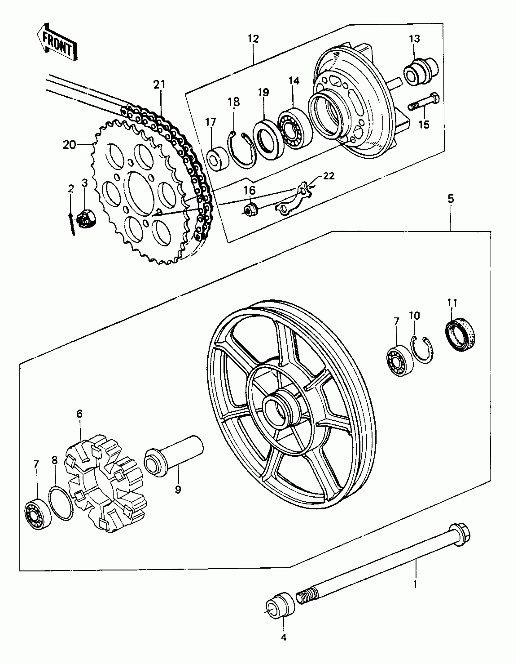
4
COLLAR,L=31
92027-1263
Unavailable
9
COLLAR,RR HUB L=90M/
92027-1261
Unavailable
17
COLLAR,RR AXLE L.H
92027-1262
Unavailable
20
REAR SPROCKET,33T
42041-1010
Unavailable
