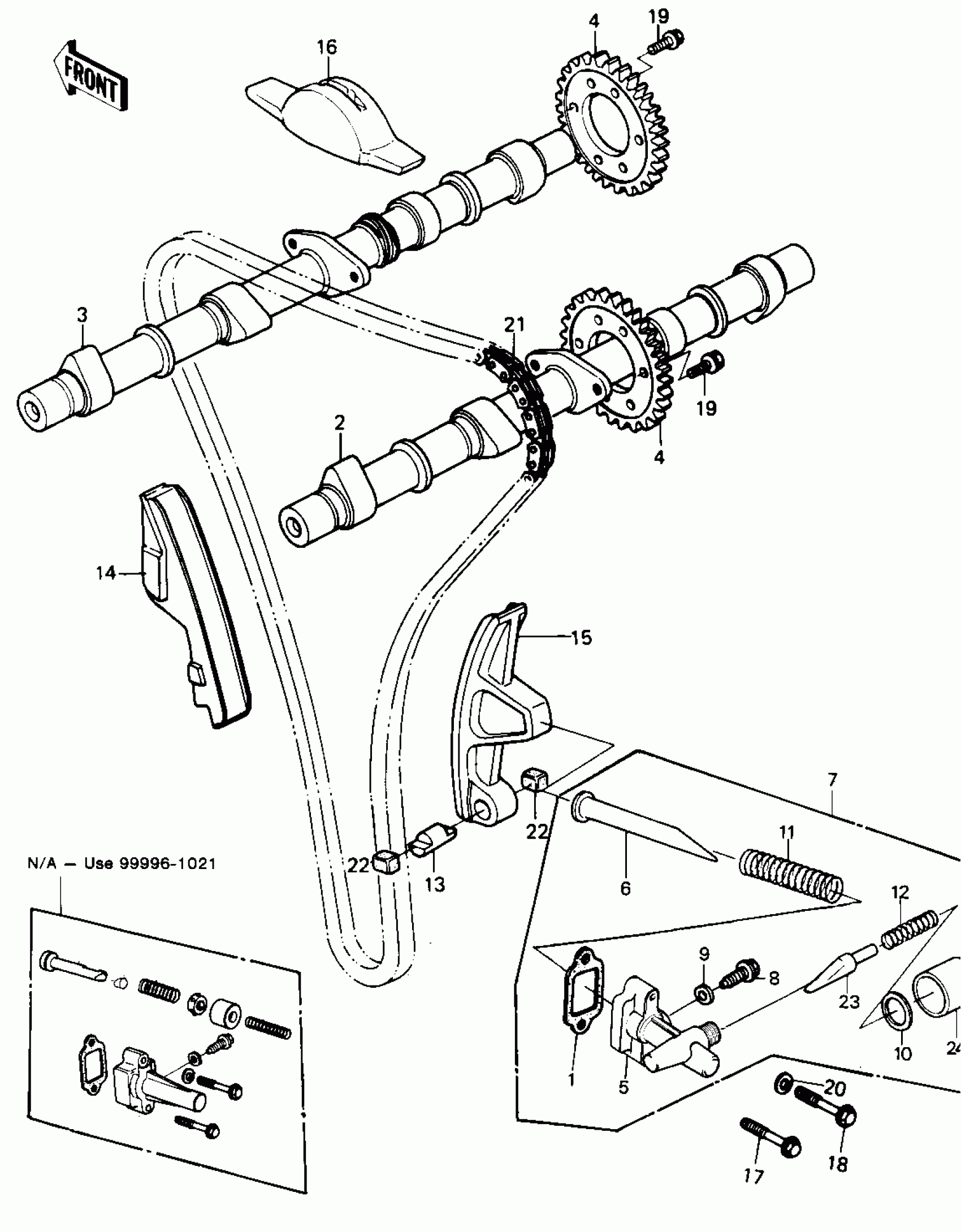
Kawasaki KZ750-E1 CAMSHAFTS/CHAIN/TENSIONER ('80 KZY 50-E1 Diagram
#
Description
Price
2
CAMSHAFT-VALVE,INTAKE
12044-1043
Unavailable
3
CAMSHAFT,EXHAUST
12044-1019
Unavailable
7
TENSIONER KIT
99996-1021
Unavailable
