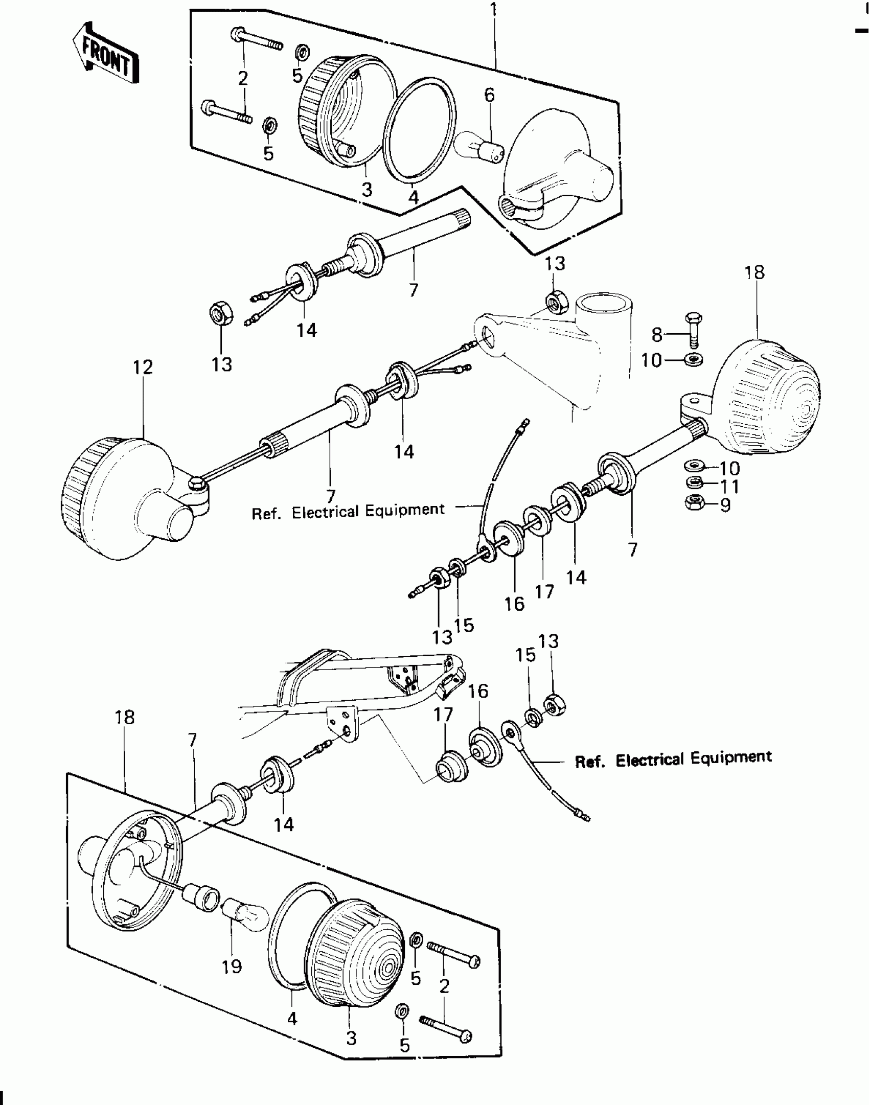
Partiron

Kawasaki KZ650-F1 TURN SIGNALS Diagram

#

Description
Price

1

LAMP-SIGNAL,RH

23040-1005

$90.08

2

SCREW-PAN HEAD,4X35

220E0435A

$8.56

3

LENS-SIGNAL LAMP,"6.1445"MARK

23048-1024

$10.96

4

GASKET,TURN SIGNAL LAMP

23050-002

$4.97

5

WASHER,PLAIN,4MM

23058-002

$2.49

6

BULB,12V 32/3CP(23/8W)

92069-060

$9.70

7

BRACKET,TURN SIGNAL.L

23051-053

$68.68

8

BOLT-UPSET

112G0630

$1.36

9

NUT 6MM

311B0600

$0.93

10

WASHER PLAIN 6MM

411B0600

$2.84

11

WASHER SPRING 6MM

461F0600

$0.69

12

LAMP-SIGNAL,LH

23040-1006

$90.08

13

NUT-HEX-FINE,10MM

315B1000

$0.58

14

DAMPER,LAMP

92075-128

$5.86

15

WASHER SPRING 10MM

461F1000

$0.67

16

COLLAR

92027-147

$15.20

17

DAMPER RUBBER,SIG LM

92075-158

$5.47

18

LAMP-TURN SIGNAL

23040-029

$153.16

19

BULB,12V 32CP(23W)

92069-055

$5.18