Kawasaki KZ650-F1 CHASSIS ELECTRICAL EQUIPMENT Diagram
#
Description
Price
2
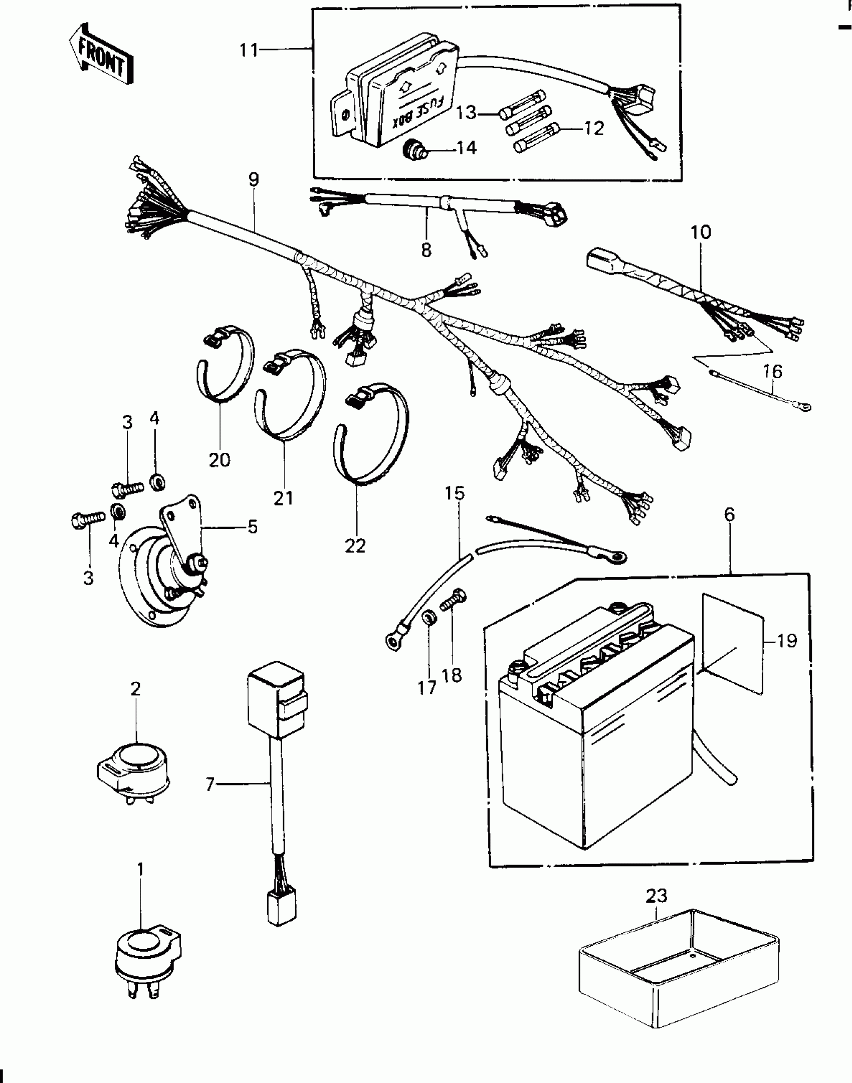
RELAY,TURN SIGNAL
27002-016
Unavailable
5
HORN
27003-076
Unavailable
6
BATTERY 12V11AH W/LA
26012-1010
Unavailable
7
SWITCH,OUTAGE,INDICTR
28019-001
Unavailable
9
HARNESS,MAIN
26001-1131
Unavailable
15
WIRE,BATTERY GROUND
26010-049
Unavailable
19
LABEL-WARNING,BATTERY
56040-1036
Unavailable
23
CASE,BATTERY
32099-015
Unavailable
