Partiron

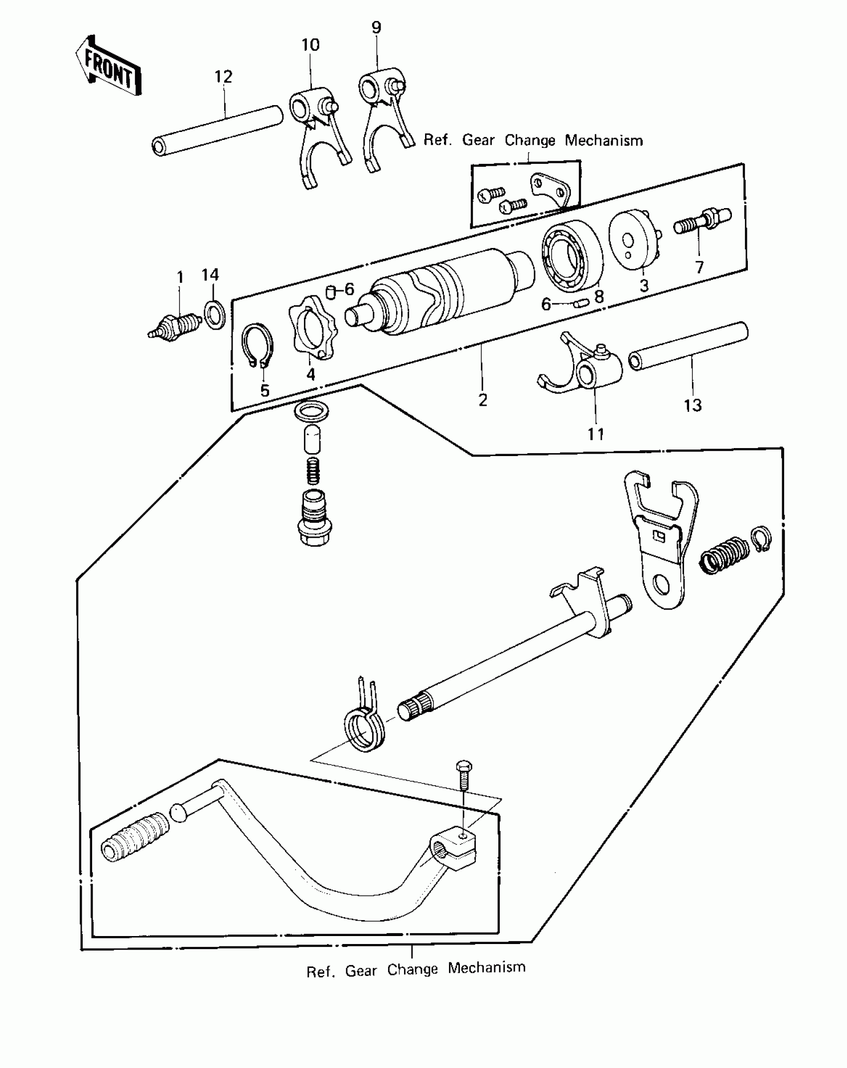
Kawasaki KZ250 GEAR CHANGE DRUM & FORKS ('80 D1) Diagram

#

Description
Price

1

SWITCH-COMP,NEUTRAL

13151-1007

Unavailable

2

DRUM ASSY,GEAR SHIFT

13239-1036

Unavailable

3

PLATE,GEAR CHANGE

13142-019

Unavailable

4

DISK,SHIFT DRUM

13145-1002

Unavailable

5

CIRCLIP-TYPE-C,24MM

480J2400

$6.32

6

ROLLER,4X6

610A0406

$4.31

7

BOLT

92001-166

$3.45

8

BEARING-BALL,#6905

92045-036

$27.88

9

SHIFT FORK,LOW

13140-073

Unavailable

10

SHIFT FORK,2ND&3RD

13140-074

Unavailable

11

SHIFT FORK,4TH&TOP

13140-075

Unavailable

12

ROD-SHIFT,L=93.7

49047-1003

Unavailable

13

ROD,SHIFT 71.7M/M

49047-1002

Unavailable

14

GASKET,10.5X16X1

92065-058

$3.96