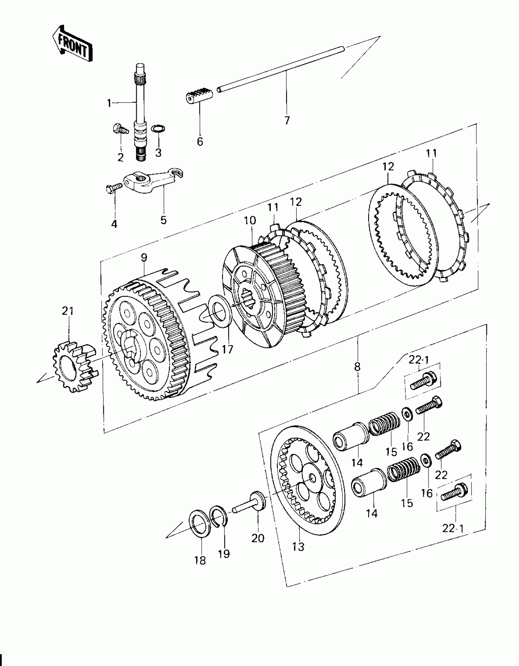
Kawasaki KZ200-A2 CLUTCH Diagram
#
Description
Price
1
SHAFT,CLUTCH RELEASE
13106-006
Unavailable
2
BOLT,CLUTCH RELEASE
92003-130
Unavailable
3
O RING,10MM
670B2010
Unavailable
4
BOLT-UPSET
112G0618
Unavailable
5
LEVER,CLUTCH RELEASE
13103-028
Unavailable
6
ROD-PUSH,CLUTCH,6T
13116-1040
Unavailable
7
ROD,PUSH
13116-032
Unavailable
7
ROD,CLUTCH PUSH,LONG
13116-1002
Unavailable
8
CLUTCH-ASSY
13081-083
Unavailable
8
CLUTCH-ASSY
13081-1051
Unavailable
9
HOUSING,CLUTCH
13095-1006
Unavailable
9
HOUSING,CLUTCH
13095-1006
Unavailable
10
HUB,CLUTCH
13087-045
Unavailable
10
HUB,CLUTCH
13087-1001
Unavailable
11
PLATE CLUTCH FRICTION
13088-015
Unavailable
11
PLATE CLUTCH FRICTION
13088-015
Unavailable
12
PLATE-CLUTCH,T=1.6
13089-013
Unavailable
12
PLATE-CLUTCH,T=1.6
13089-013
Unavailable
13
PLATE-CLUTCH SPRING
13187-005
Unavailable
14
GUIDE CLUTCH SPRING
13092-005
Unavailable
15
SPRING,CLUTCH
92081-083
Unavailable
15
SPRING,CLUTCH
92081-083
Unavailable
16
HOLDER,CLUTCH SPRING
13091-011
Unavailable
17
WASHER,PLAIN
92022-321
Unavailable
18
WASHER,20.5X30X1,STEEL
92022-112
Unavailable
19
RING-SNAP,18MM
92033-029
Unavailable
20
PUSHER-CLTCH SPRG PLT
13116-016
Unavailable
21
PINION,KICKSTARTER
13075-012
Unavailable
22
BOLT-UPSET
112G0618
Unavailable
22-1
BOLT,FLANGED,6X18
92001-1066
Unavailable
