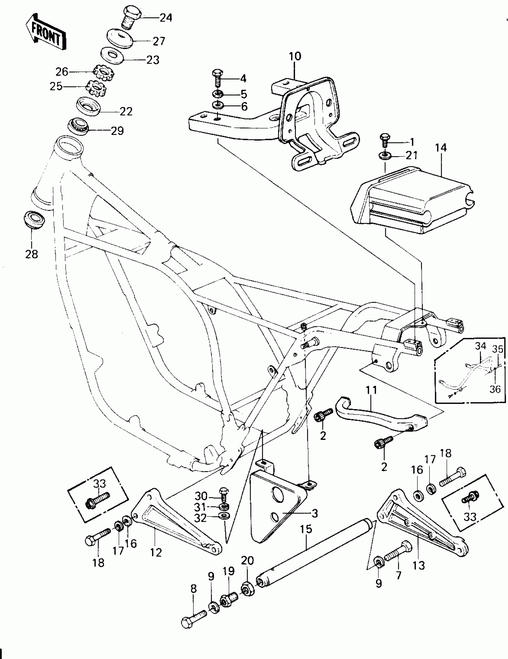
Kawasaki KZ1300-A3 FRAME FITTINGS Diagram
#
Description
Price
1
BOLT-UPSET 6X14
112B0614
Unavailable
3
COVER,SEAT LOCK
14025-1246
Unavailable
3
COVER,SEAT LOCK
14025-1246
Unavailable
7
BOLT,HEX HEAD,10X25
113G1025
Unavailable
8
BOLT-UPSET,10X30
112G1030
Unavailable
11
GRIP,FRAME
32109-1012
Unavailable
14
CASE,STORAGE
39012-1001
Unavailable
22
CAP,STEERING STEM HEA
11012-1059
Unavailable
24
BOLT,16X25.5
92007-031
Unavailable
35
BOLT-SMALL-UPSET,8X14
115B0814
Unavailable
