- Partiron
- OEM Parts
- Kawasaki
- motorcycle
- 1979
- KZ1000 LTD
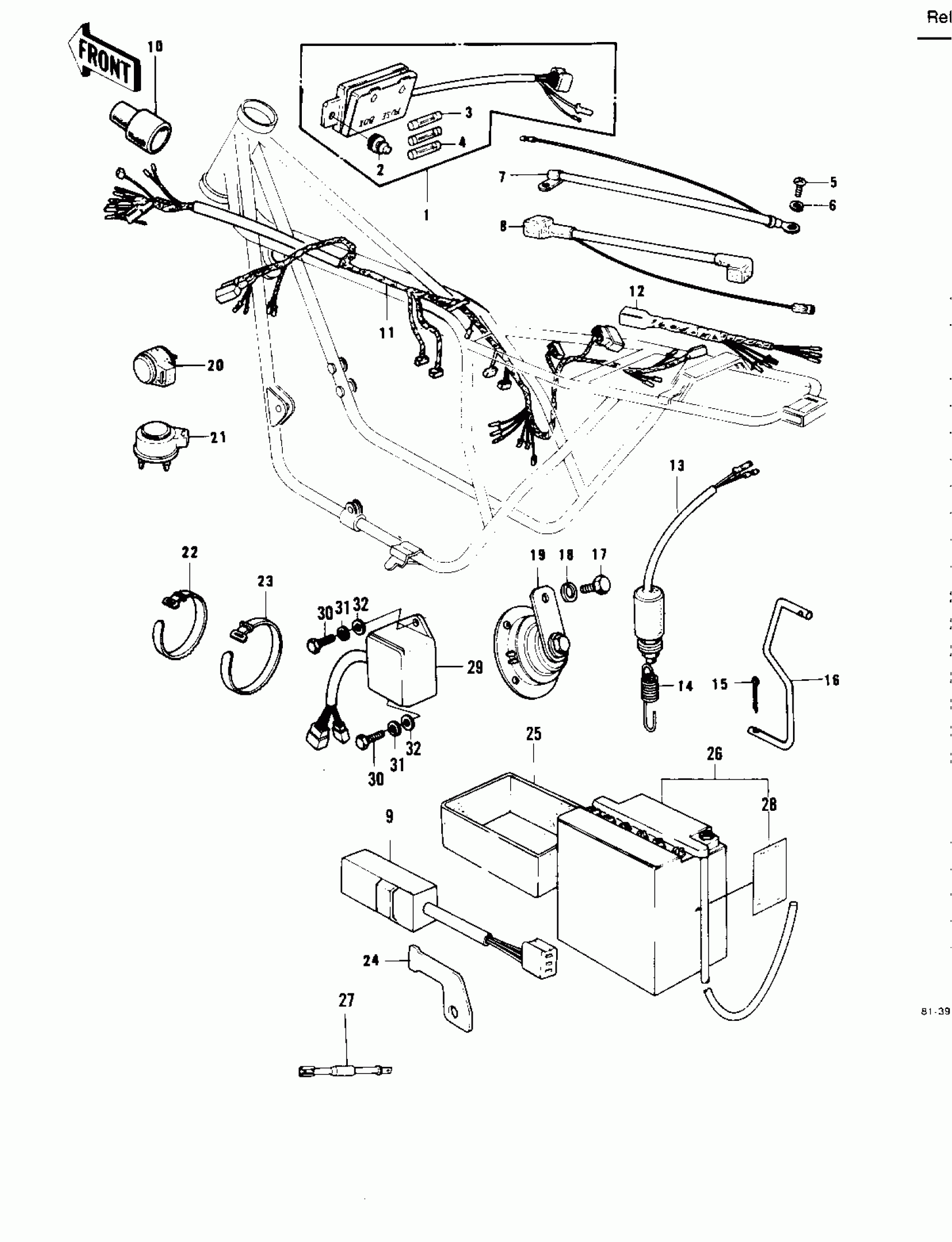
CHASSIS ELECTRICAL EQUIPMENT ('79-'80 B3
Kawasaki KZ1000 LTD CHASSIS ELECTRICAL EQUIPMENT ('79-'80 B3 Diagram
#
Description
Price
9
SWITCH,OUTAGE,INDICTR
28019-001
Unavailable
10
COVER WIRING HARNESS
26009-003
Unavailable
11
WIRING HARNESS,MAIN
26001-1055
Unavailable
12
WIRING HARNESS,REAR
26002-031
Unavailable
13
SWITCH-BRAKE LAMP
27010-017
Unavailable
14
SPRING BRAKE LAMP SW
27011-009
Unavailable
15
PIN COTTER 1.6X10
550D1610
Unavailable
16
HOOK,BRK LAMP SW SPR
27012-010
Unavailable
19
HORN
27003-1006
Unavailable
21
RELAY,TURN SIGNAL
27002-016
Unavailable
25
CASE,BATTERY
32099-015
Unavailable
26
*** N.L.A.*** (Canada)
26012-1009
Unavailable
27
REGULATOR
21066-026
Unavailable
28
LABEL-WARNING,BATTERY
56040-1036
Unavailable
29
SWITCH,RESERVE LIGHTI
27010-1024
Unavailable
