- Partiron
- OEM Parts
- Kawasaki
- motorcycle
- 1978
- KZ1000 LTD
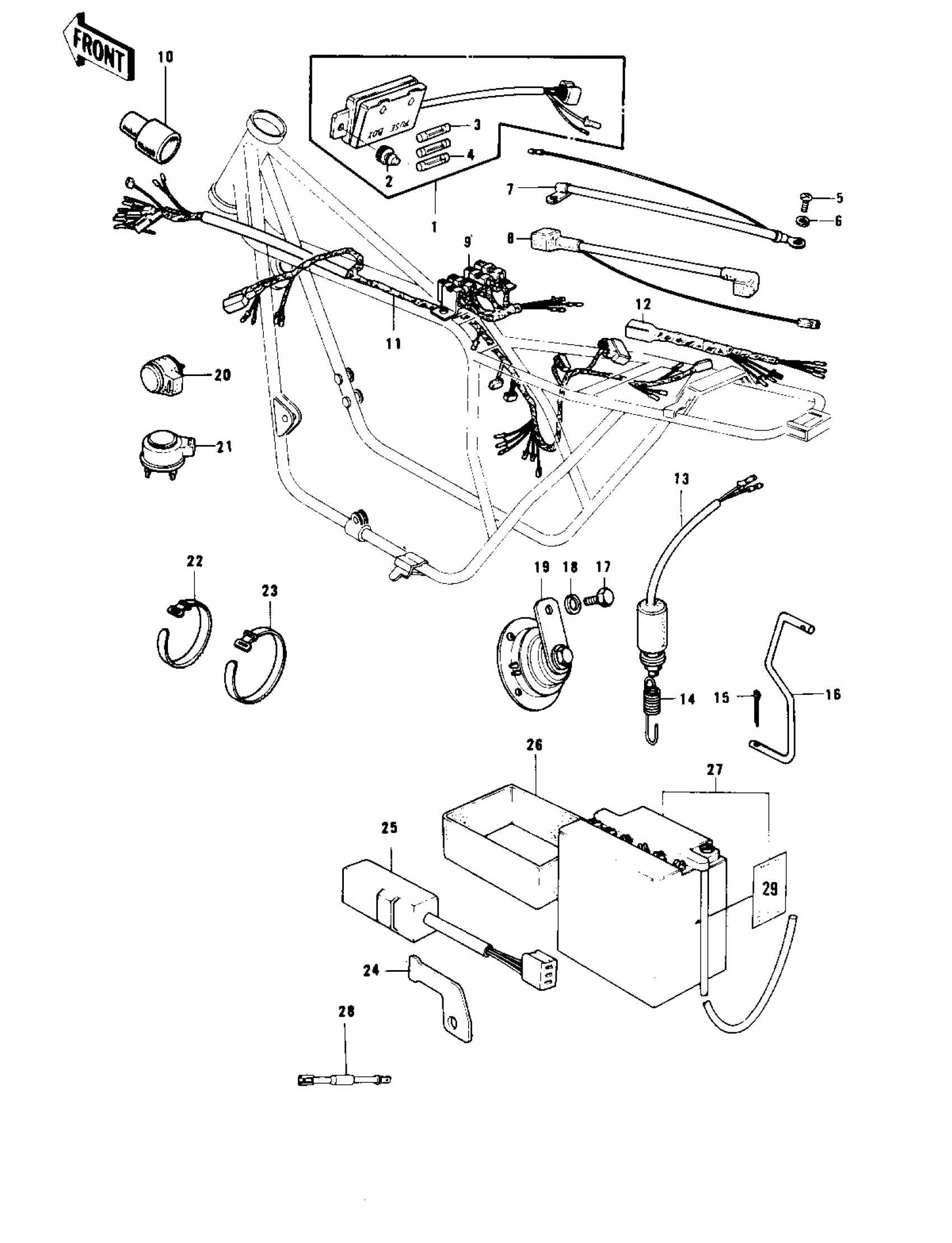
CHASSIS ELECTRICAL EQUIPMENT ('77-'78 B1
Kawasaki KZ1000 LTD CHASSIS ELECTRICAL EQUIPMENT ('77-'78 B1 Diagram
#
Description
Price
1
FUSE-ASSY
26004-035
Unavailable
5
UNAVAILABLE IN PRICE BOOK
9200-137
Unavailable
10
COVER WIRING HARNESS
26009-003
Unavailable
11
WIRING HARNESS,MAIN
26001-1003
Unavailable
12
WIRING HARNESS,REAR
26002-031
Unavailable
13
SWITCH-BRAKE LAMP
27010-017
Unavailable
14
SPRING BRAKE LAMP SW
27011-009
Unavailable
15
PIN COTTER 1.6X10
550D1610
Unavailable
16
HOOK,BRK LAMP SW SPR
27012-010
Unavailable
19
HORN
27003-1006
Unavailable
21
RELAY,TURN SIGNAL
27002-016
Unavailable
25
SWITCH,OUTAGE,INDICTR
28019-001
Unavailable
26
CASE,BATTERY
32099-015
Unavailable
27
*** N.L.A.*** (Canada)
26012-049
Unavailable
28
REGULATOR
21066-026
Unavailable
29
LABEL-WARNING,BATTERY
56040-1036
Unavailable
