- Partiron
- OEM Parts
- Kawasaki
- motorcycle
- 1978
- KZ1000 LTD
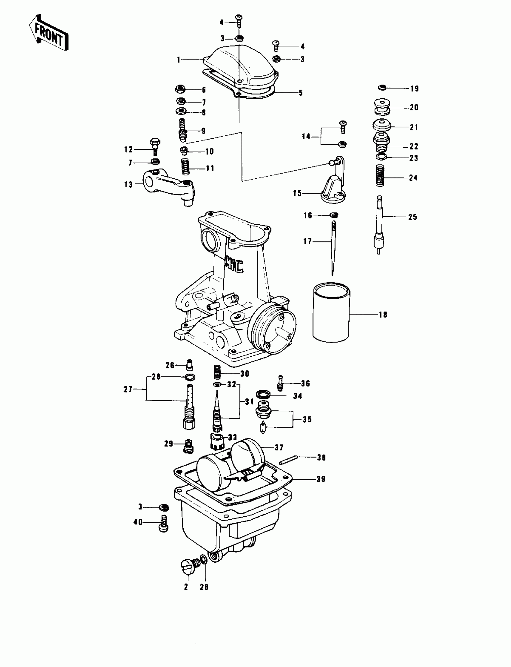
CARBURETOR PARTS (KZ1000-B1)
Kawasaki KZ1000 LTD CARBURETOR PARTS (KZ1000-B1) Diagram
#
Description
Price
2
SCREW,GUIDE
16049-007
Unavailable
3
WASHER SPRING 4MM
461F0400
Unavailable
8
WASHER,PLAIN
16039-016
Unavailable
9
SCREW,SLOTTED
16046-012
Unavailable
10
SEAT-SPRING
16057-002
Unavailable
12
BOLT,HEX HEAD,5X14
16067-006
Unavailable
13
LEVER,THROTTLE
39075-1001
Unavailable
14
SCREW,PAN HEAD,3X14
16033-031
Unavailable
17
JET NEEDLE,5DL3
16009-071
Unavailable
22
CAP,STARTER PLUNGER
16012-015
Unavailable
24
SPRING,STARTER PLUG
16013-008
Unavailable
25
PLUNGER,STARTER
16016-021
Unavailable
26
NEEDLE JET,AO-5
16017-1034
Unavailable
27
PIPE,BLEED
16047-006
Unavailable
29
MAIN JET,#A102.5
92063-1028
Unavailable
29
JET-MAIN NO 107.5R
92063-073
Unavailable
29
MAIN JET,#110R
92063-1038
Unavailable
29
JET-MAIN NO 112.5R
92063-075
Unavailable
31
SCREW,PILOT ADJUSTING
16014-018
Unavailable
33
CAP,LIMTTER
16012-022
Unavailable
35
FLOAT VALVE ASSY
16030-027
Unavailable
36
JET-PILOT NO.15
92064-1003
Unavailable
39
GASKET,FLOAT CHAMBER
11009-1563
Unavailable
