Kawasaki KX80 CABLES/NUMBER PLATE Diagram
#
Description
Price
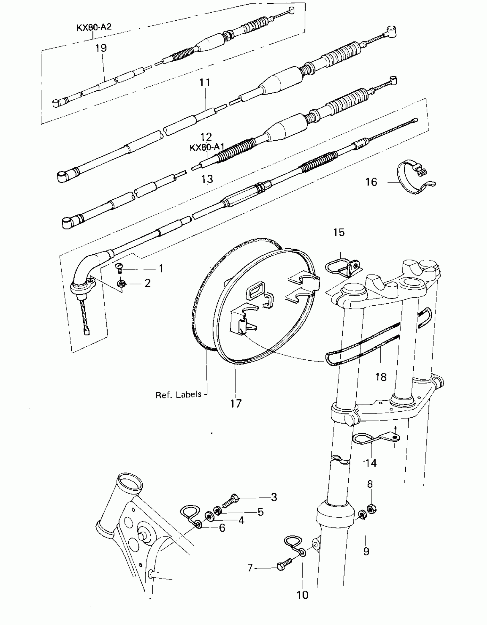
11
CABLE,BRAKE,FRONT
54005-1013
Unavailable
11
CABLE,FRONT BRAKE
54005-1023
Unavailable
12
CABLE-CLUTCH
54011-1035
Unavailable
13
CABLE,THROTTLE
54012-1065
Unavailable
14
CLAMP,CABLE,FR FENDER
92037-1079
Unavailable
15
CLAMP,CABLE,FRNT FORK
92037-1114
Unavailable
18
"O" RING,135MM
92055-1058
Unavailable
19
CABLE-CLUTCH
54011-1035
Unavailable
