Partiron

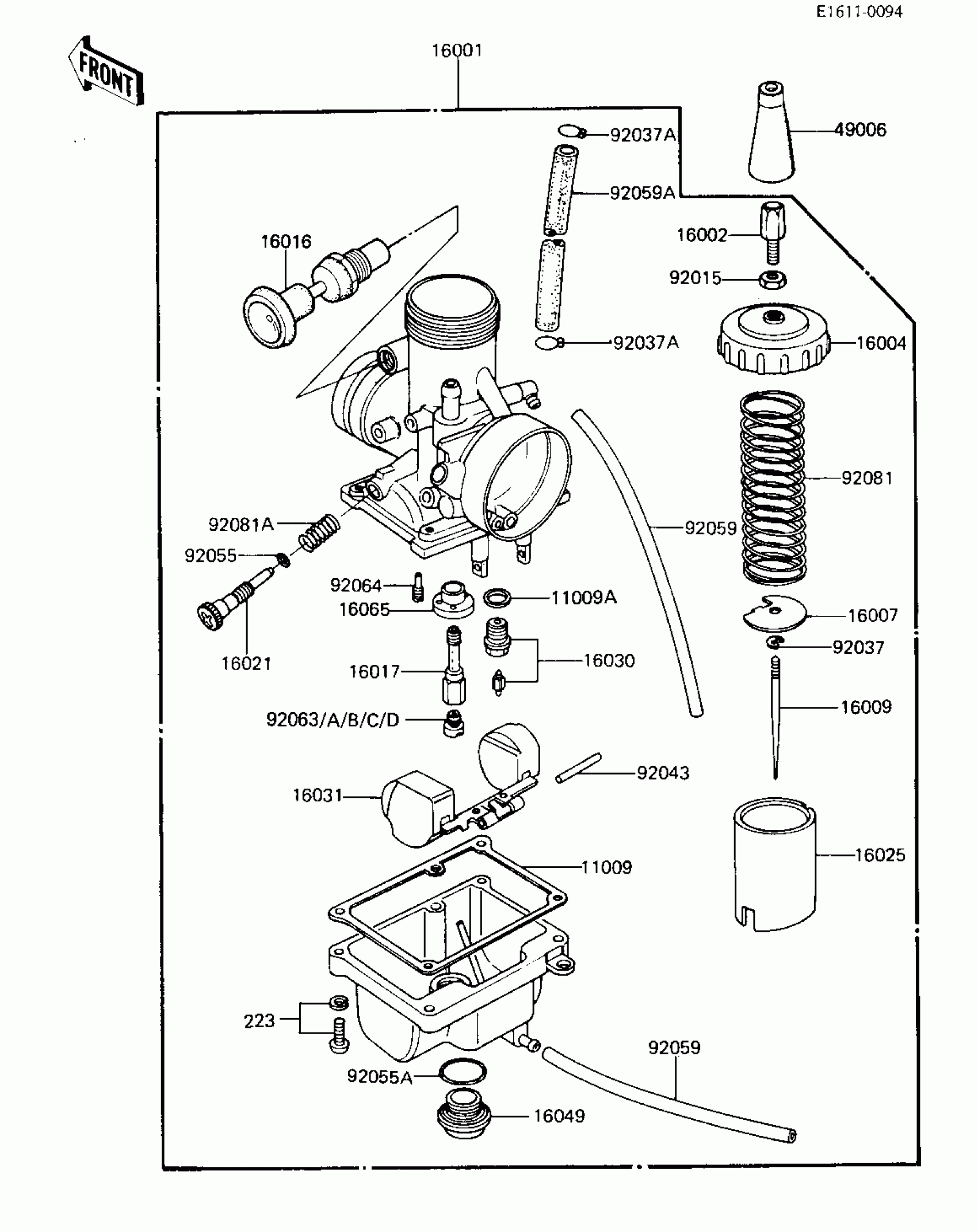
Kawasaki KX60 CARBURETOR (KX60-A1) Diagram

#

Description
Price

11009

GASKET,FLOAT CHAMBER

11009-1147

$10.19

11009A

WASHER FLOAT VLV SEAT

16029-004

$3.89

16001

CARBURETOR

16001-1548

$176.65

16002

ADJUSTER-CABLE

16002-017

$13.38

16004

CAP-CHAMBER

16004-025

$33.28

16007

SEAT-SPRING,THROTTLE VALVE

16007-023

$10.19

16009

NEEDLE-JET,5113-2

16009-1128

$22.71

16016

PLUNGER

16016-1027

$36.03

16017

JET NEEDLE, 0-2

16017-1123

$21.65

16021

SCREW-THROTTLE STOP

16021-1042

Unavailable

16025

VALVE,THROTTLE,C.A1.5

16025-1028

$137.62

16030

VALVE-FLOAT,2.5

16030-005

$58.86

16031

FLOAT

16031-1005

$53.59

16049

COVER-MAIN JET

16049-1001

$26.99

16065

HOLDER,JET NEEDLE

16065-1020

$18.54

49006

BOOT,CABLE ADJUSTER

16036-007

$17.80

92015

NUT,ADJUST LOCK

16003-006

$7.34

92037

CLAMP,E-TYPE

16008-010

$9.21

92037A

CLAMP,TUBE

92037-072

$7.22

92043

PIN,FLOAT

16032-003

$6.57

92055

RING-O

92055-044

$10.38

92055A

RING-O,MAIN JET COVER

92055-1061

$8.58

92059

TUBE,3X5X300

92059-1755

$9.24

92059A

TUBE,5.3X10.5X150

92059-1129

$21.98

92063

MAIN JET NO 125R

92063-055

$14.10

92063A

JET-MAIN,#A127.5

92063-1100

$14.10

92063B

MAIN JET NO 130R

92063-057

$14.10

92063C

MAIN JET NO 120R

92063-078

$18.50

92063D

JET-MAIN,#A122.5

92063-1101

$14.10

92064

JET-PILOT,#45

92064-1060

$10.34

92081

SPRING,THROTTLE VALVE

16006-023

$15.02

92081A

SPRING,THROTTLE ADJUST

92081-1152

$6.16

223

SCREW-PAN-WS-CROS

223B0416

$0.67