Kawasaki KX250-A3 REAR HUB/BRAKE/CHAIN (KX250) Diagram
#
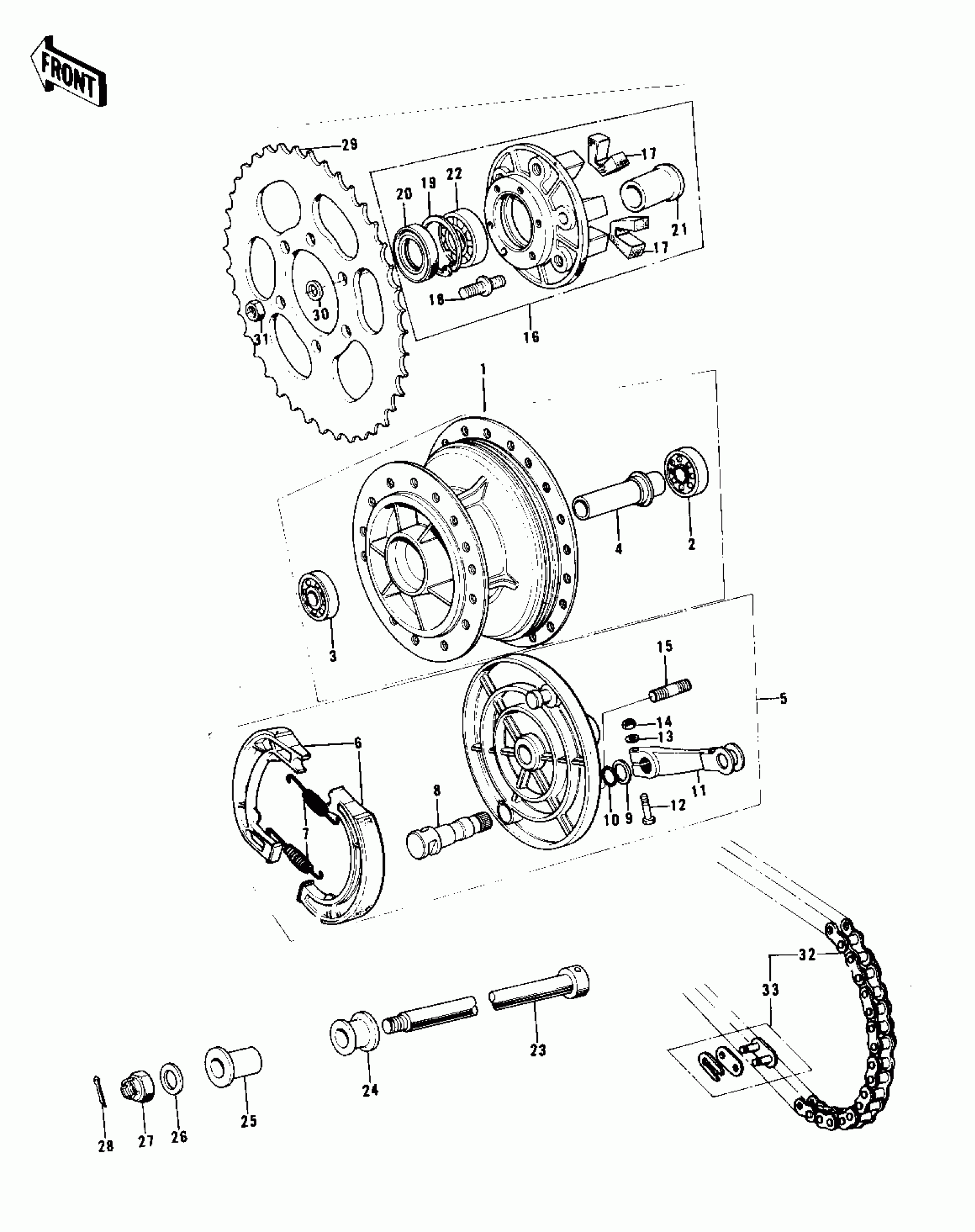
1
DRUM ASSY,REAR BRAKE
42005-043
Unavailable
2
BEARING,BALL, #6202
92045-027
Unavailable
3
BEARING,BALL, #6302
92045-028
Unavailable
4
COLLAR,REAR HUB BRNG
42010-024
Unavailable
5
PANEL-ASY,RR BRK
42006-051
Unavailable
6
SHOE,BRAKE
42019-011
Unavailable
6
SHOE,BRAKE
42019-011
Unavailable
7
SPRING,BRAKE SHOE
42020-004
Unavailable
8
CAM SHAFT,BRAKE CAM
42026-013
Unavailable
9
WASHER
92022-258
Unavailable
10
O RING,15MM
670B2015
Unavailable
11
LEVER,REAR BRAKE CAM
42029-037
Unavailable
12
BOLT-UPSET,6X40
112G0640
Unavailable
12
BOLT-UPSET,6X40
112G0640
Unavailable
13
WASHER-PLAIN-SMALL,6MM
410B0600
Unavailable
14
NUT 6MM
311B0600
Unavailable
15
STUD,10X18
92006-004
Unavailable
16
COUPLING ASSY,RR BRK
42008-025
Unavailable
17
SHOCK DAMPER
42014-022
Unavailable
18
STUD,8MM,10MM
92006-005
Unavailable
19
RING-SNAP,47MM
92033-1042
Unavailable
20
DUST SHIELD,RR BRK
42027-004
Unavailable
21
SLEEVE,COUPLING
42036-022
Unavailable
22
BEARING,BALL
92045-032
Unavailable
23
AXLE,REAR
42031-048
Unavailable
24
COLLAR,R.H RR.AXLE
42032-051
Unavailable
25
COLLAR,RR AXLE L.H
42032-054
Unavailable
26
WASHER
92022-260
Unavailable
27
NUT,CASTLE,14MM
92103-006
Unavailable
28
PIN-COTTER,3.0X25
550D3025
Unavailable
29
REAR SPROCKET 48T
42041-133
Unavailable
29
REAR SPROCKET 46T
42041-134
Unavailable
29
REAR SPROCKET 50T
42041-135
Unavailable
30
WASHER PLAIN 8MM
410B0800
Unavailable
31
NUT,8MM
92019-018
Unavailable
32
DR CHAIN 520X104
92057-039
Unavailable
33
92058-1051 (Canada)
92058-020
Unavailable
